GM Service Manual Online
For 1990-2009 cars only
Makes
🢒
Saturn
🢒
2008
🢒
Astra
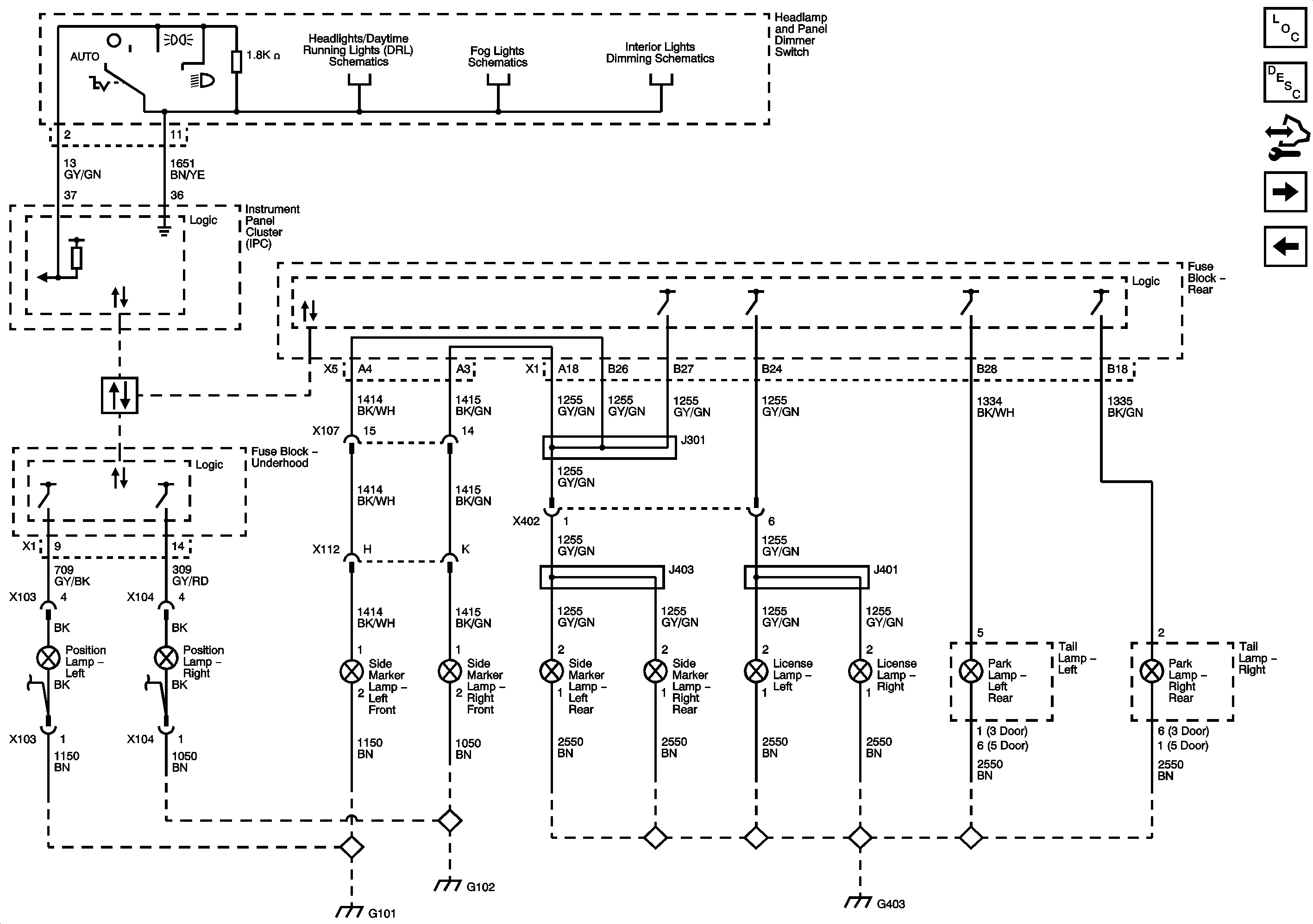
🢒 Park Lamps
Park Lamps
Park Lamps
Master Electrical Component List
Exterior Lighting Systems Description and Operation
Control Module References
Backup Lamps
Turn Signal and Brake Lights
Headlamp/DRL
Fog Lights
Interior Lights Dimming
Power, Ground, Class 2, and GM Low Speed Serial Data (CAN A)
G101 and G102
G101 and G102
G101 and G102
G101 and G102
G403