GM Service Manual Online
For 1990-2009 cars only
Makes
🢒
Saturn
🢒
2008
🢒
Astra
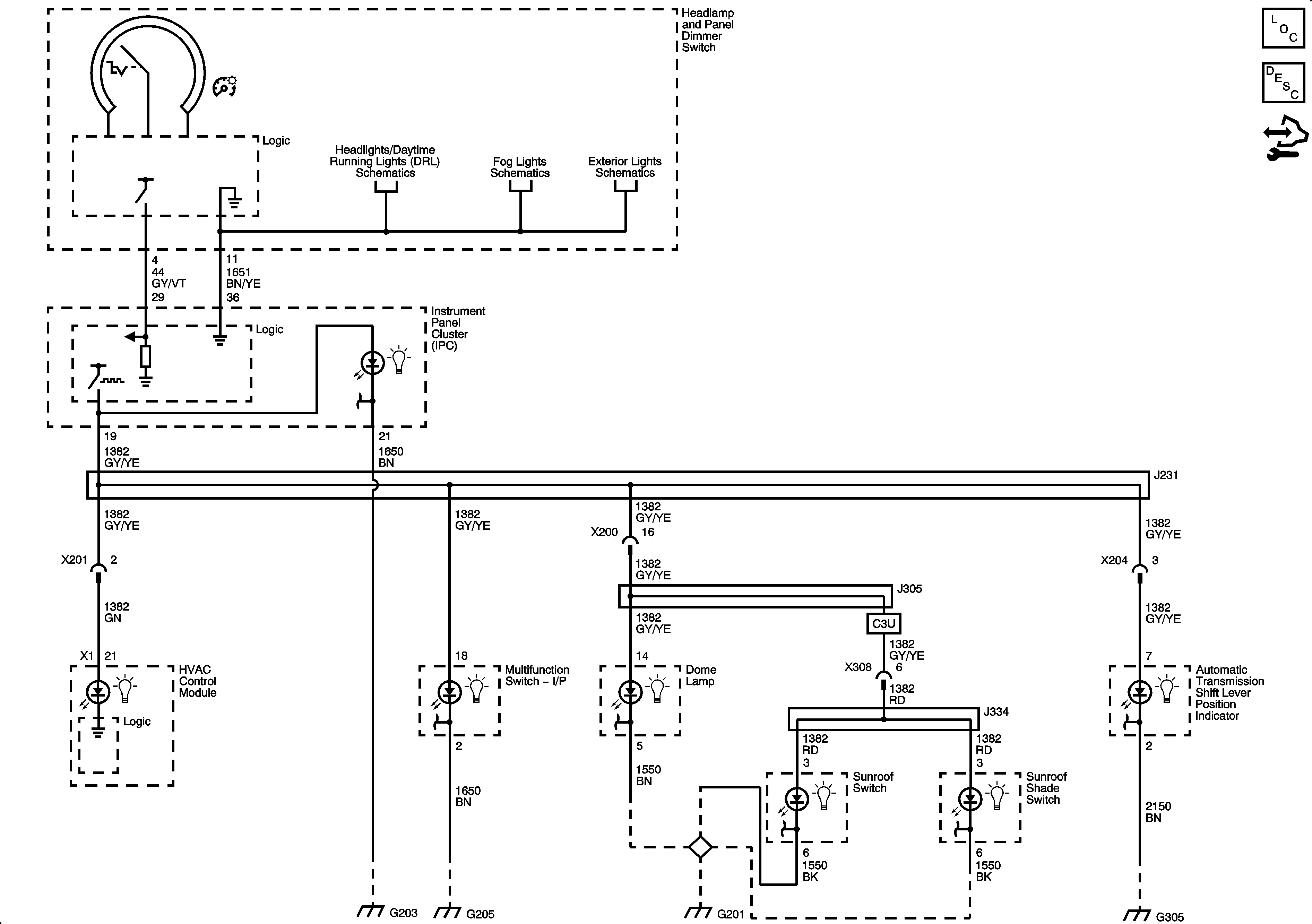
🢒 Interior Lights Dimming
Interior Lights Dimming
Master Electrical Component List
Interior Lighting Systems Description and Operation
Control Module References
Headlamp/DRL
Fog Lights
Park Lamps
G203, G204, and G205
G203, G204, and G205
G203, G204, and G205
G203, G204, and G205
G201 and G202
G201 and G202
G201 and G202
G201 and G202
G305
G305