GM Service Manual Online
For 1990-2009 cars only
Makes
🢒
Saturn
🢒
2008
🢒
Astra
🢒 Compressor Controls
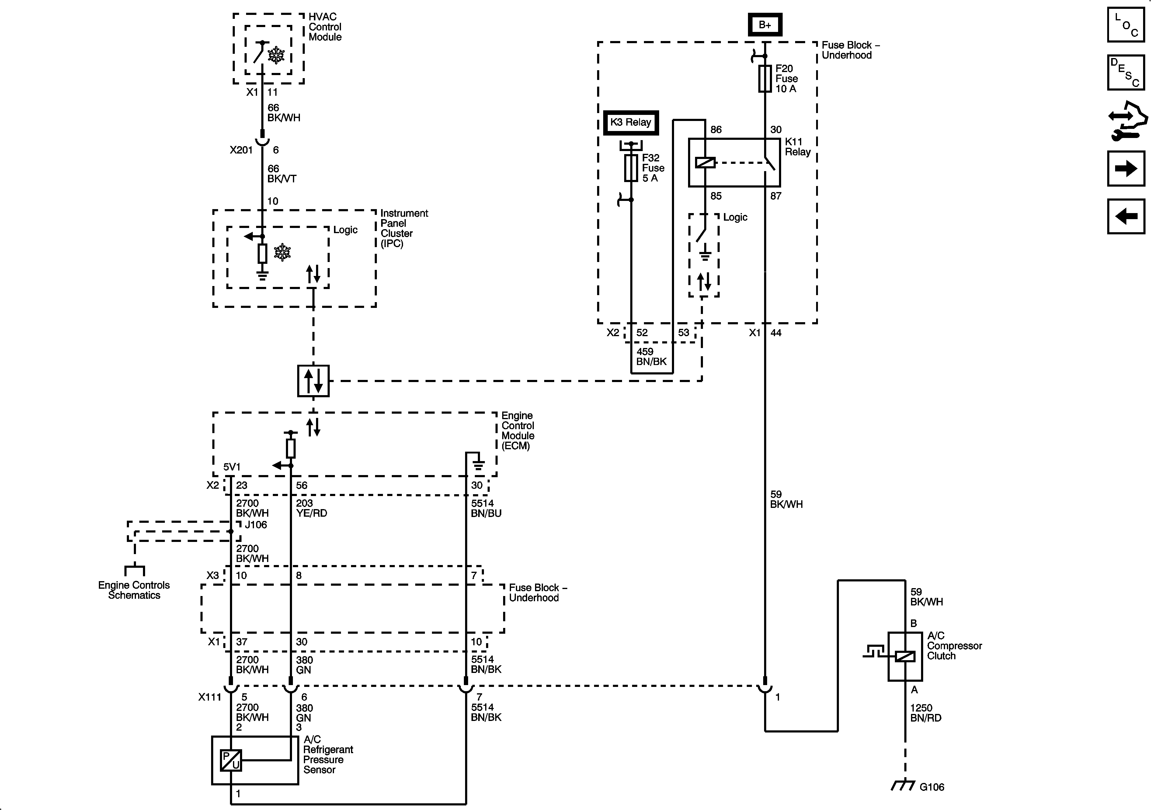
Compressor Controls
Compressor Controls
Master Electrical Component List
Air Temperature Description and Operation
Control Module References
Mode, Recirculation, and Air Temperature Actuators
Power, Ground and Blower Motor Controls
B+ Bus 2 of 2
B+ Bus 2 of 2
Fuse Block - Underhood F5, F21, F26, and F32 Fuses
Power, Ground, Class 2, and GM Low Speed Serial Data (CAN A)
5-Volt and Low References
G100, G103, G104, G105 and G106