GM Service Manual Online
For 1990-2009 cars only
Makes
🢒
Saturn
🢒
2008
🢒
Astra
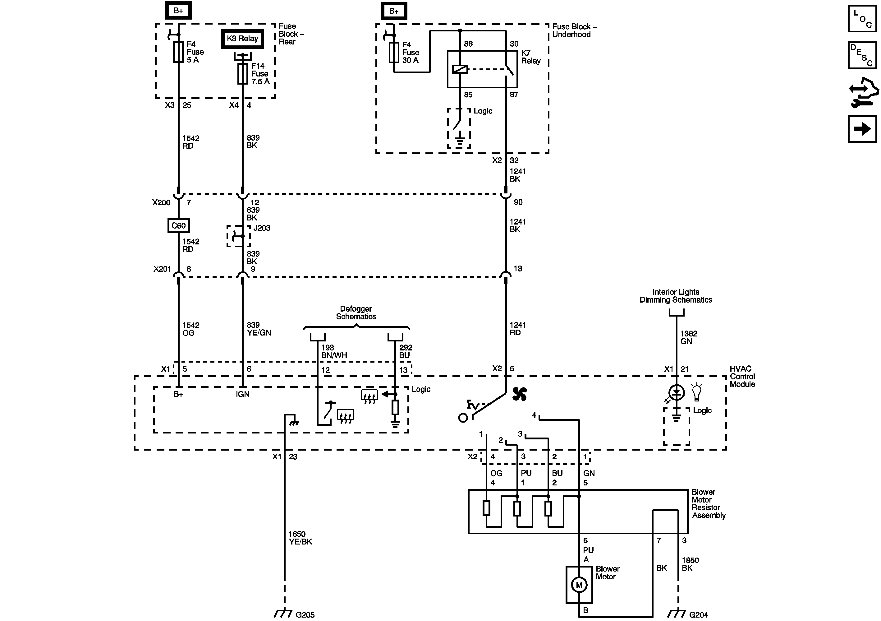
🢒 Power, Ground and Blower Motor Controls
Power, Ground and Blower Motor Controls
Power, Ground and Blower Motor Controls
Master Electrical Component List
Air Delivery Description and Operation
Control Module References
Compressor Controls
B+ Bus 1 of 2
Fuse Block - Rear F29, F34, F22, F4, F24, F3, F23, and F1 Fuses
B+ Bus 1 of 2
Fuse Block - Rear F40, F39, F14, F16, F17, F18 and F12 Fuses
B+ Bus 2 of 2
Rear Defogger
Interior Lights Dimming
G203, G204, and G205
G203, G204, and G205