GM Service Manual Online
For 1990-2009 cars only
Makes
🢒
Saturn
🢒
2003
🢒
ION
🢒
Body and Accessories
🢒
Retained Accessory Power
🢒 Retained Accessory Power (RAP) Schematics
Master Electrical Component List
Retained Accessory Power (RAP) Description and Operation
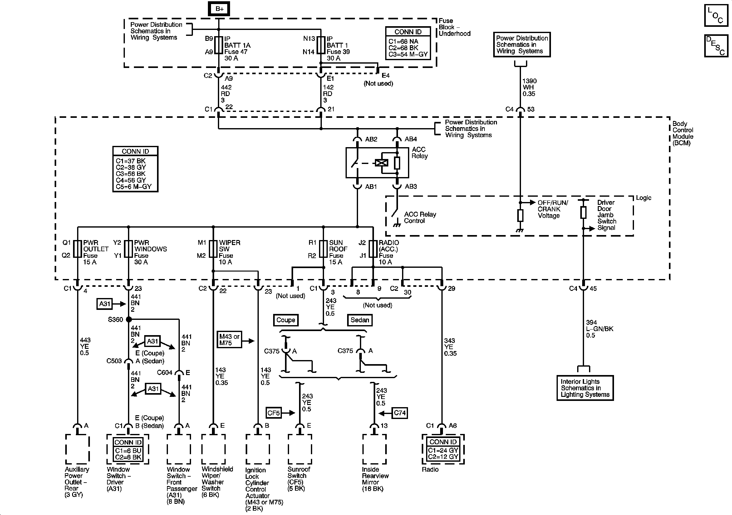
03 GMX357 Fuse Block-Underhood Bus
Ignition Switch
Fuse Block-Underhood Fuses: IP BATT1 and IP BATT1A, BCM Fuses: BCM PWR, DASH, LIGHTER, ONSTAR, PARK, PWR OUTLET, PWR WINDOWS, RADIO (ACC.), RADIO (BATT1), SUN ROOF, and WIPER SW
Interior Lights Schematics