GM Service Manual Online
For 1990-2009 cars only
Makes
🢒
Saturn
🢒
2003
🢒
ION
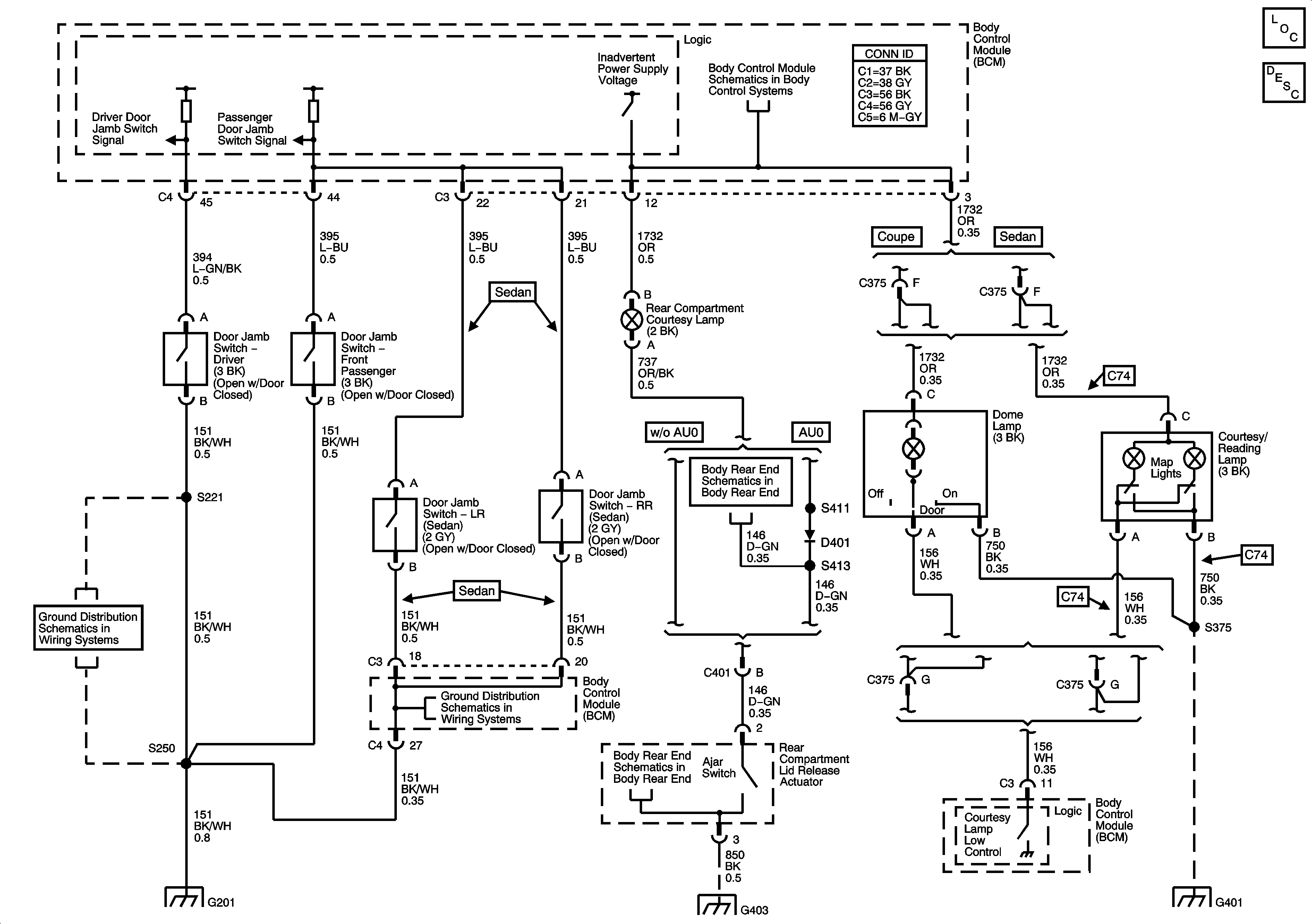
🢒 Interior Lights Schematics
Interior Lights Schematics
Master Electrical Component List
Interior Lighting Systems Description and Operation
BCM ELECT Fuse 1 of 2 and Subsystem References
Body Rear End Schematics
G201
G201
G201
Body Rear End Schematics
G403 and G502
G401