GM Service Manual Online
For 1990-2009 cars only
Makes
🢒
Saturn
🢒
2003
🢒
ION
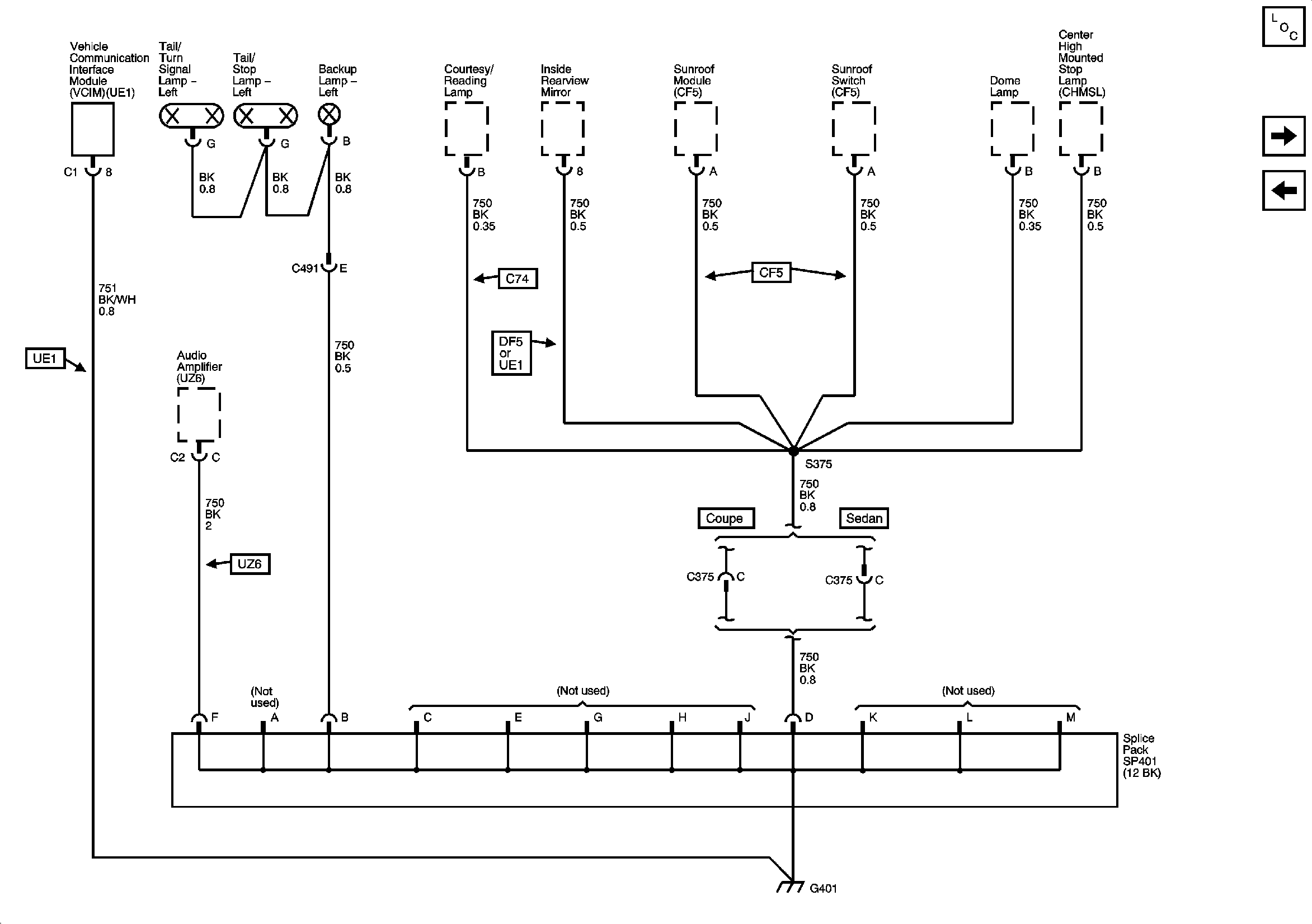
🢒 G401
G401
G401
Master Electrical Component List
G403 and G502
G301