GM Service Manual Online
For 1990-2009 cars only
Makes
🢒
Saturn
🢒
2003
🢒
ION
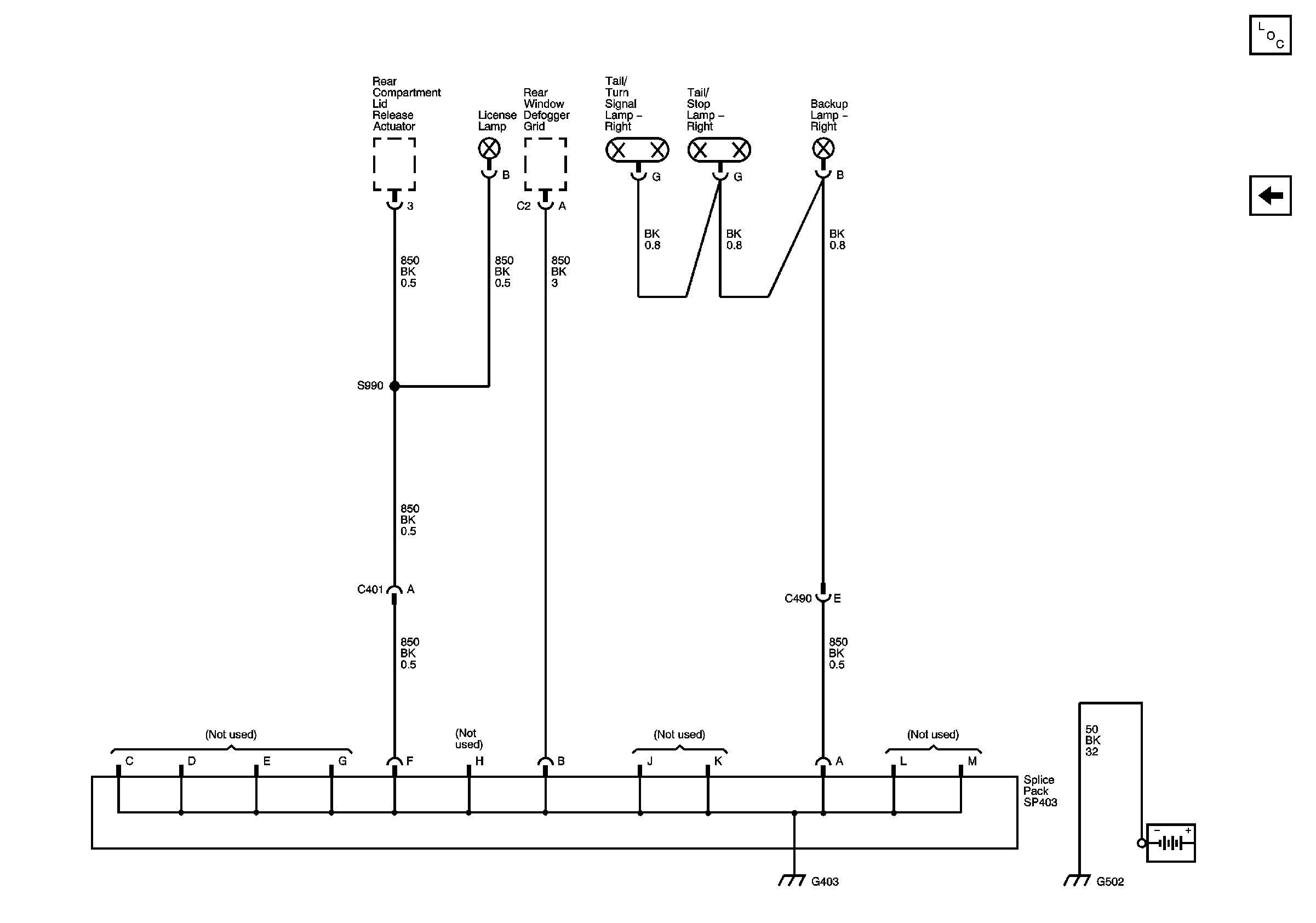
🢒 G403 and G502
G403 and G502
G403 and G502
Master Electrical Component List
G401