GM Service Manual Online
For 1990-2009 cars only
Makes
🢒
Saturn
🢒
2003
🢒
ION
🢒 Starting
Starting
Starting
Master Electrical Component List
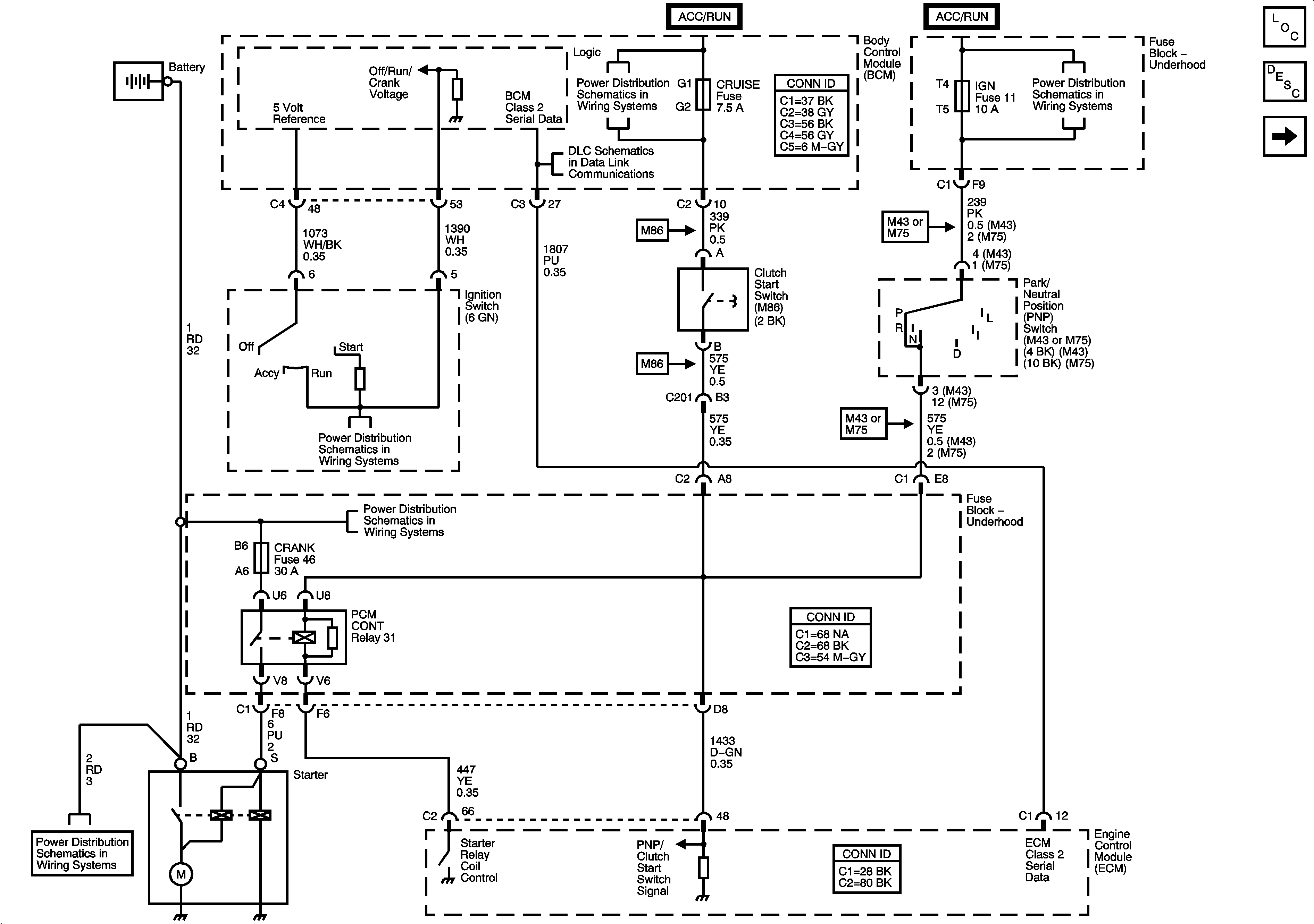
Starting System Description and Operation
Charging
Fuse Block-Underhood Fuses: ERLS, and INJECTORS, BCM Fuses: AIR BAG, CRUISE, and EPS
Data Link Connector (DLC) Schematics
Fuse Block-Underhood Fuses: ABS, ABS1, ABS2, ECM, ECM/TCM, IGN, LH HDLP, PREM AUDIO, RH HDLP, and RUN/CRANK
Ignition Switch
03 GMX357 Fuse Block-Underhood Bus
03 GMX357 Fuse Block-Underhood Bus