GM Service Manual Online
For 1990-2009 cars only
Makes
🢒
Saturn
🢒
2003
🢒
ION
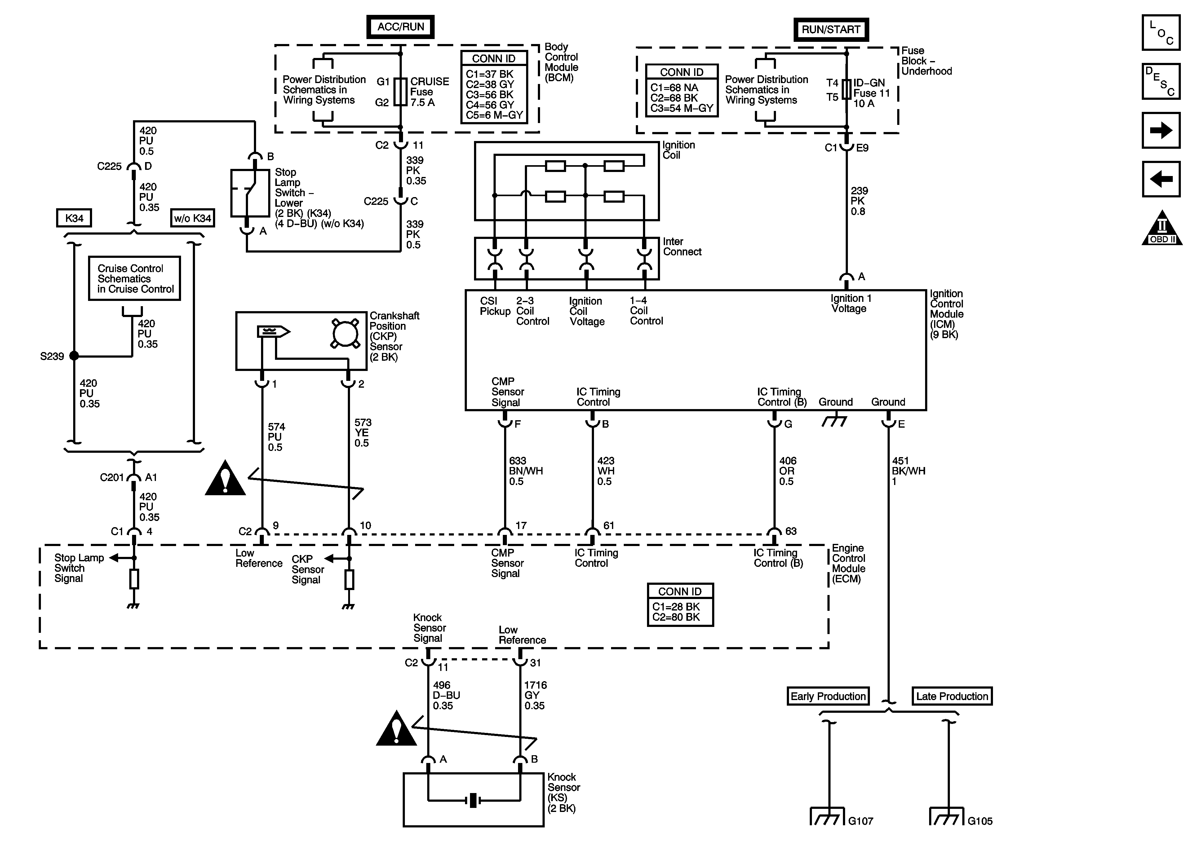
🢒 Ignition Controls
Ignition Controls
Ignition Controls
Master Electrical Component List
Engine Control Module Description
Fuel Delivery
Engine Data Sensors-HO2S
OBD II Symbol Description Notice
Fuse Block-Underhood Fuses: ERLS, and INJECTORS, BCM Fuses: AIR BAG, CRUISE, and EPS
Fuse Block-Underhood Fuses: ABS, ABS1, ABS2, ECM, ECM/TCM, IGN, LH HDLP, PREM AUDIO, RH HDLP, and RUN/CRANK
Stop Lamp Switches
Engine Controls Schematic Icons
Engine Controls Schematic Icons
G103, G105, G107, and G109
G103, G105, and G109 - Late Production