GM Service Manual Online
For 1990-2009 cars only
Makes
🢒
Saturn
🢒
2003
🢒
ION
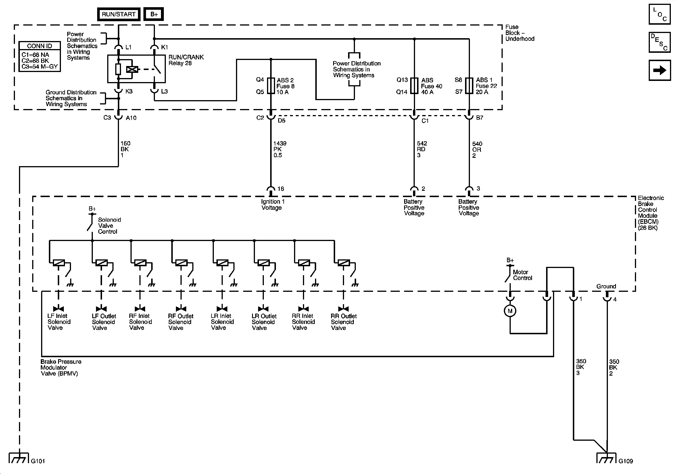
🢒 Power, Ground, and BPMV Controls
Power, Ground, and BPMV Controls
Power, Ground, and BPMV Controls
Master Electrical Component List
ABS Description and Operation
Traction Control, DLC, and Indicators
Ignition Switch
Fuse Block-Underhood Fuses: ABS, ABS1, ABS2, ECM, ECM/TCM, IGN, LH HDLP, PREM AUDIO, RH HDLP, and RUN/CRANK
G101
G103, G105, G107, and G109