GM Service Manual Online
For 1990-2009 cars only
Makes
🢒
Saturn
🢒
2003
🢒
ION
🢒 DLC, Frontal Impact, Ground, Indicator, and Power
DLC, Frontal Impact, Ground, Indicator, and Power
DLC, Frontal Impact, Ground, Indicator, and Power
Master Electrical Component List
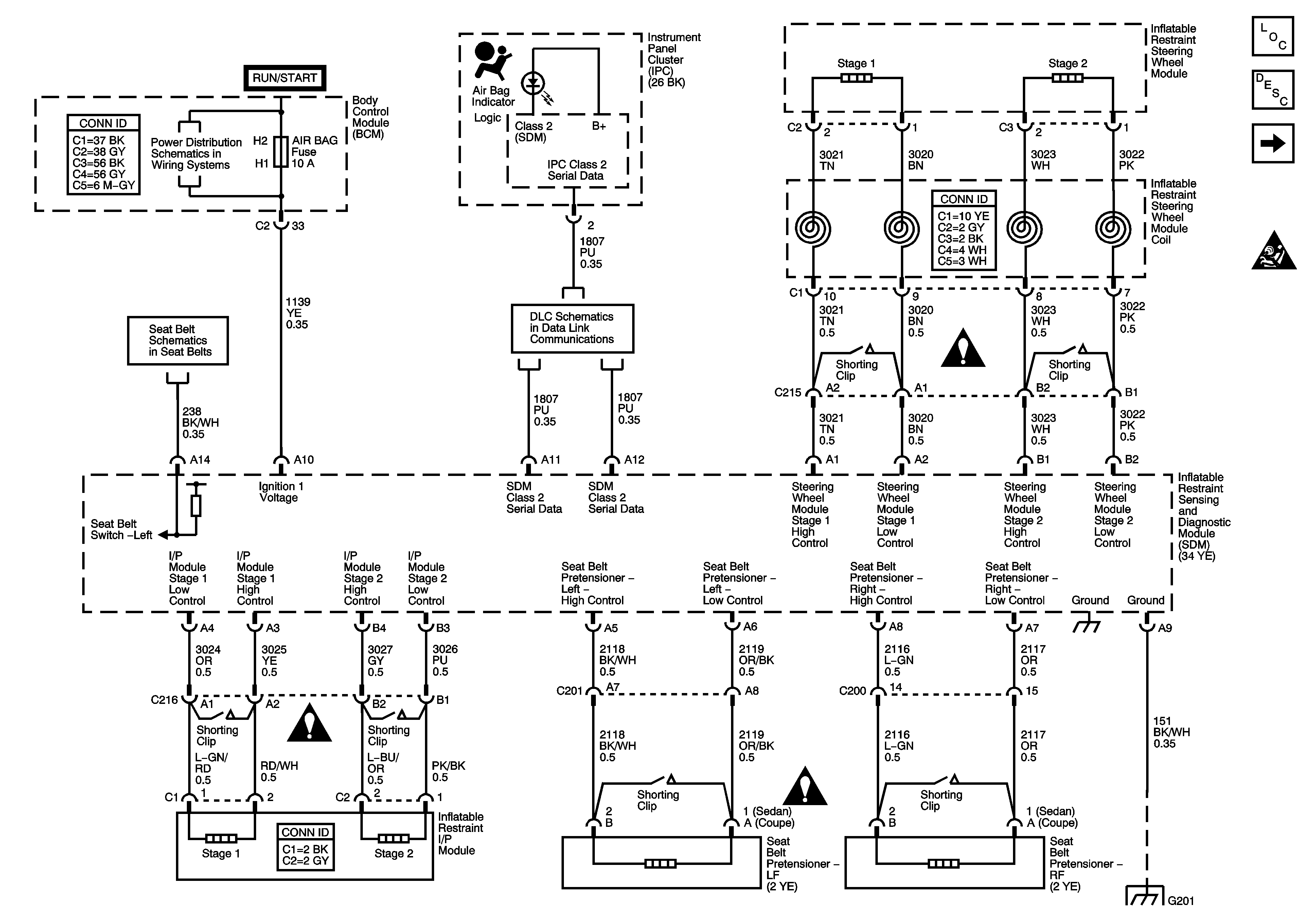
SIR System Description and Operation
Side Impact-ASF
SIR Caution for Zoning
Fuse Block-Underhood Fuses: ERLS, and INJECTORS, BCM Fuses: AIR BAG, CRUISE, and EPS
Seat Belt Schematics
Data Link Connector (DLC) Schematics
SIR Schematic Icons
SIR Schematic Icons
SIR Schematic Icons
G201