GM Service Manual Online
For 1990-2009 cars only
Makes
🢒
Saturn
🢒
2003
🢒
ION
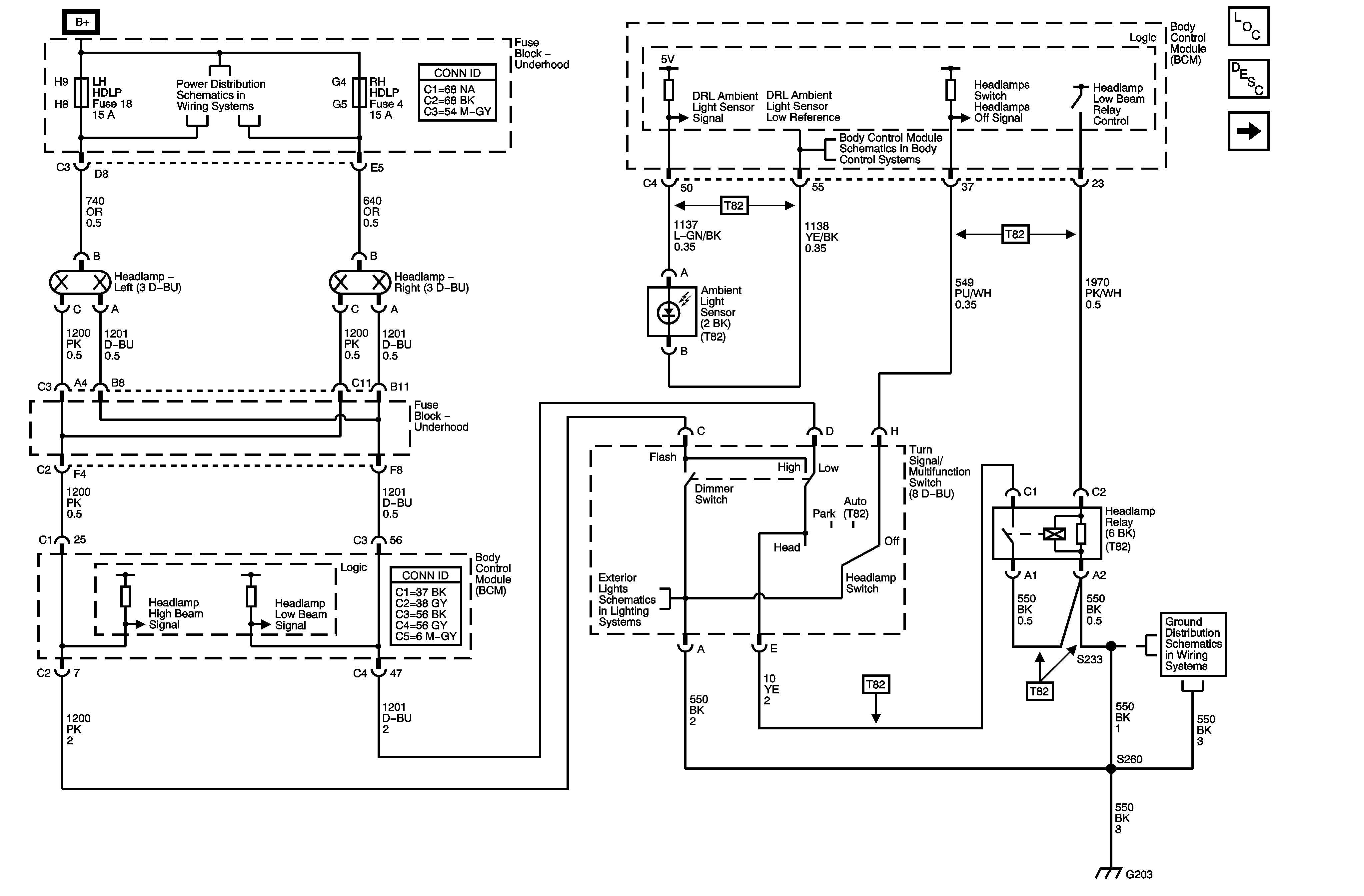
🢒 Headlights-Coupe
Headlights-Coupe
Headlights-Coupe
Master Electrical Component List
Exterior Lighting Systems Description and Operation
Headlights-Sedan
Fuse Block-Underhood Fuses: ABS, ABS1, ABS2, ECM, ECM/TCM, IGN, LH HDLP, PREM AUDIO, RH HDLP, and RUN/CRANK
BCM ELECT Fuse 2 of 2, Bcm (PWR) Fuse, and Subsystem References
Turn/Hazard Lamps
G203
G203