GM Service Manual Online
For 1990-2009 cars only
Makes
🢒
Saturn
🢒
2004
🢒
ION
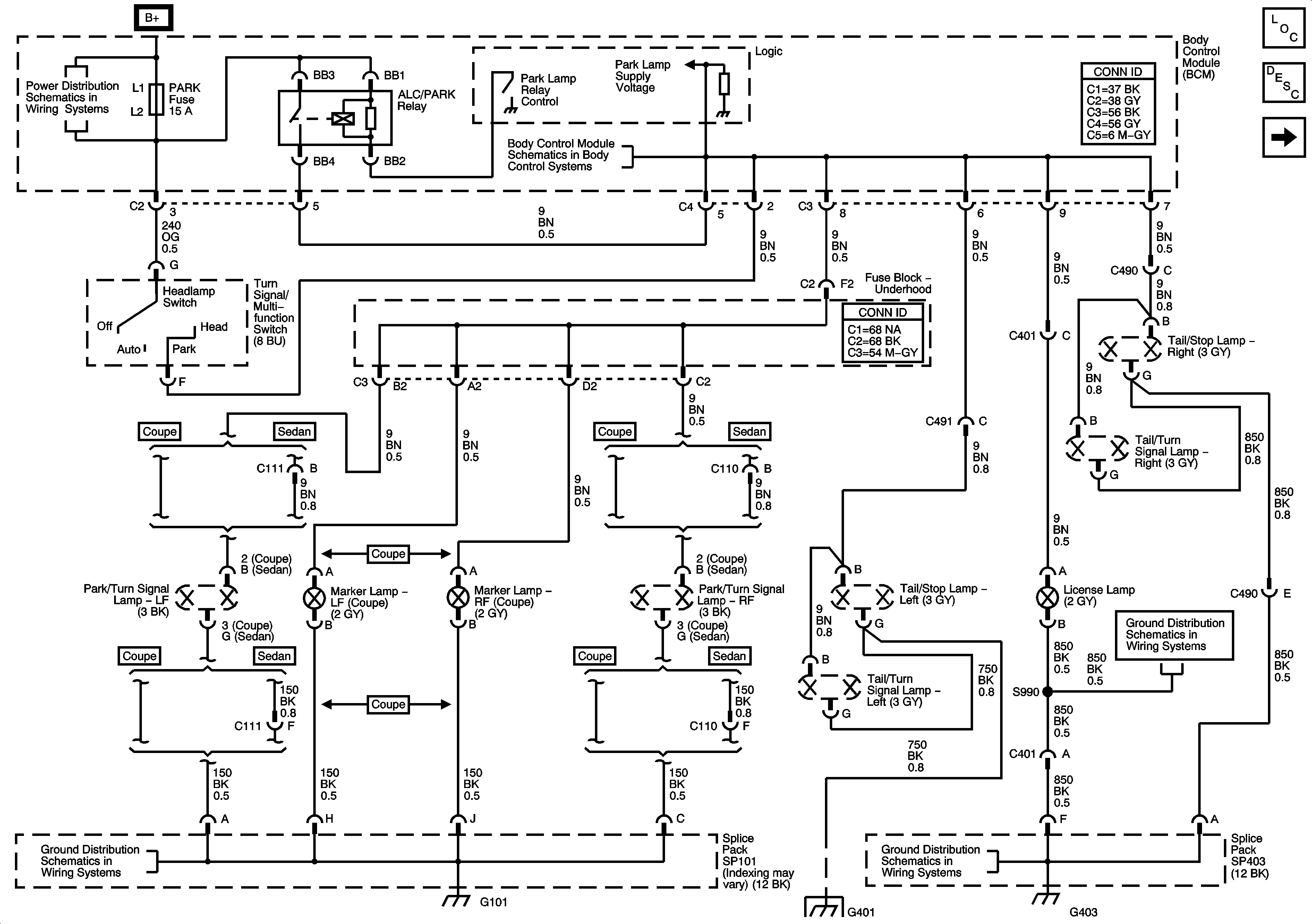
🢒 Parking Lamps - Early Production
Parking Lamps - Early Production
Park Lamps - Early Production
Master Electrical Component List
Exterior Lighting Systems Description and Operation
Parking Lamps - Late Production
Fuse Block - Underhood Fuses: IPBATT1, IPBATT1A, BCM Fuses: (BCM (PWR), DASH, Lighter, Onstar, Park, PWR Outlet, PWR Windows, Radio (ACC), Radio (BATT1), Sunroof, and Wiper Sw
Subsystem Reference to Entertainment and Lighting
G403 and G502
G101 - Early Production
G403 and G502
G101 - Early Production
G401 - Early Production
G403 and G502