GM Service Manual Online
For 1990-2009 cars only
Makes
🢒
Saturn
🢒
2004
🢒
ION
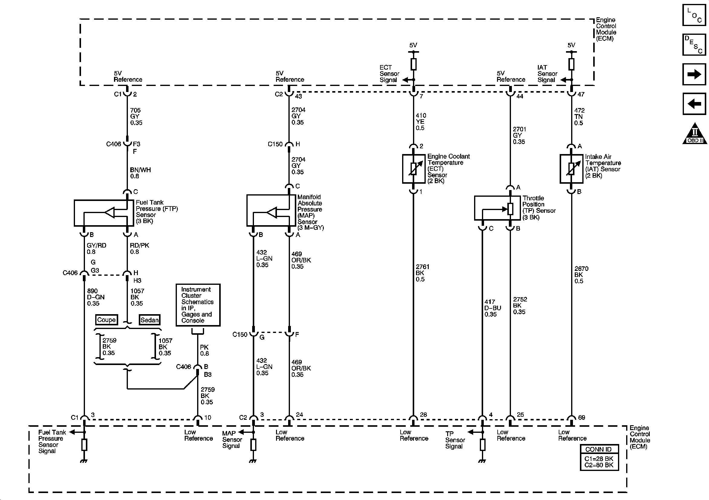
🢒 Engine Data Sensors-Pressure and Temperature
Engine Data Sensors-Pressure and Temperature
Engine Data Sensors-Pressure and Temperature
Master Electrical Component List
Engine Control Module Description
Engine Data Sensors-HO2S
Engine Data Sensors-5 Volt and Low Reference Bussing
OBD II Symbol Description Notice
Fuel Level and Oil Pressure