GM Service Manual Online
For 1990-2009 cars only
Makes
🢒
Saturn
🢒
2005
🢒
ION
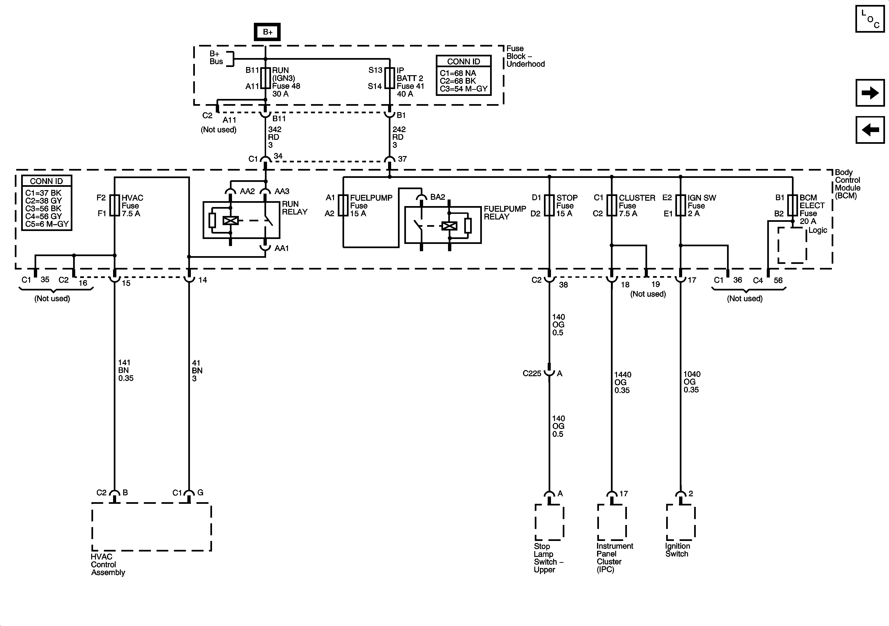
🢒 Fuse Block - Underhood Fuses: IPBATT2 and RUN (IGN3) BCM Fuses: BCM Elect, Cluster, Fuel Pump, HVAC, IGN SW, and Stop
Fuse Block - Underhood Fuses: IPBATT2 and RUN (IGN3) BCM Fuses: BCM Elect, Cluster, Fuel Pump, HVAC, IGN SW, and Stop
Fuse Block-Underhood Fuses: I/P BATT2 and RUN (IGN3), BCM Fuses: BCM ELECT, CLUSTER, FUELPUMP, HVAC, IGN. SW, and STOP
Master Electrical Component List
Fuse Block - Underhood Fuses: ABS, ABS1, ABS2, ECM, ECM/TCM, IGN, LH HDLP, Prem Audio, RH HDLP, Run/Crank
Fuse Block - Underhood Fuses: IPBATT1, IPBATT1A, BCM Fuses: (BCM (PWR), DASH, Lighter, Onstar, Park, PWR Outlet, PWR Windows, Radio (ACC), Radio (BATT1), Sunroof, and Wiper Sw
Fuse Block - Underhood BUS