GM Service Manual Online
For 1990-2009 cars only
Makes
🢒
Saturn
🢒
2005
🢒
ION
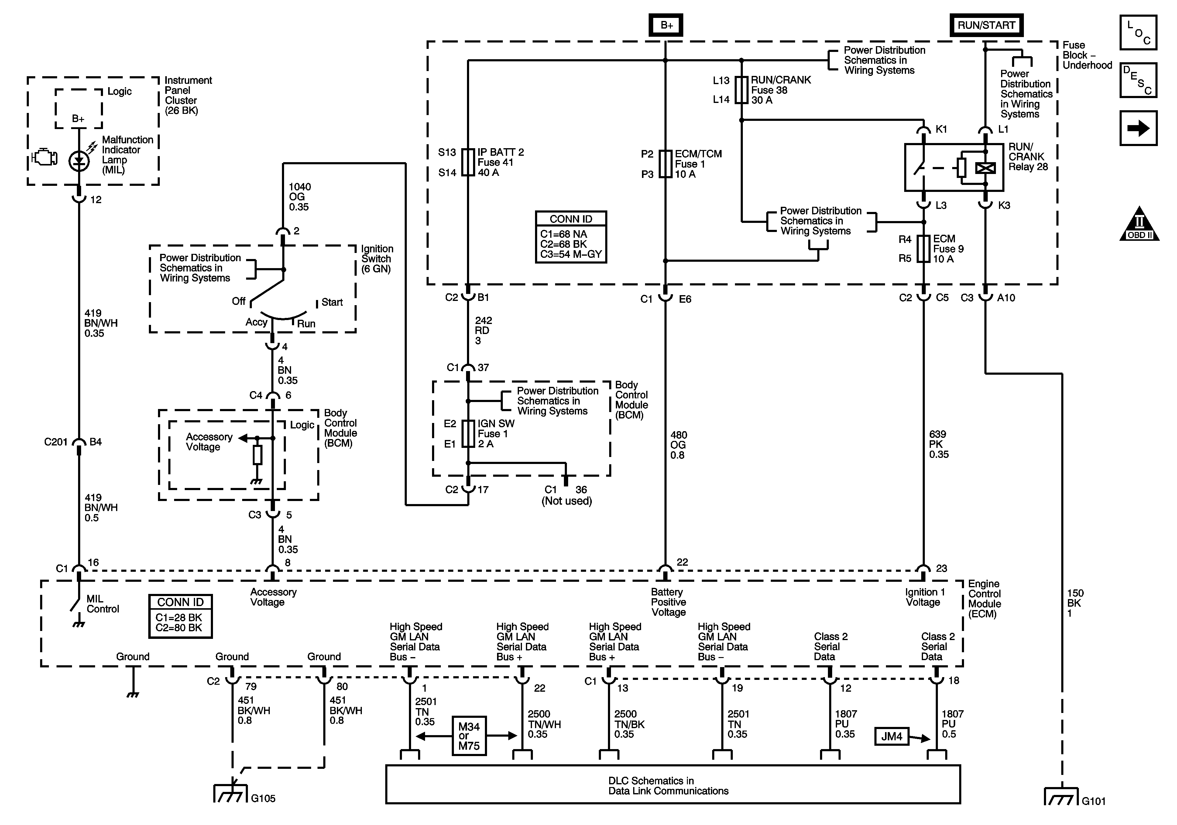
🢒 Power, Ground, MIL, and Serial Data
Power, Ground, MIL, and Serial Data
Ground, MIL, Power, and Serial Data
Master Electrical Component List
Engine Control Module Description
Engine Data Sensors - 5 Volt and Low Reference Bussing
OBD II Symbol Description Notice
Fuse Block - Underhood Fuses: ABS, ABS1, ABS2, ECM, ECM/TCM, IGN, LH HDLP, Prem Audio, RH HDLP, Run/Crank
Fuse Block - Underhood Fuses: ABS, ABS1, ABS2, ECM, ECM/TCM, IGN, LH HDLP, Prem Audio, RH HDLP, Run/Crank
Ignition Switch
Fuse Block - Underhood Fuses: IPBATT2 and RUN (IGN3) BCM Fuses: BCM Elect, Cluster, Fuel Pump, HVAC, IGN SW, and Stop
G103 (2.2L), G105 (2.2L), G109
Data Link Communication Schematics
G101 - Early Production
Ignition Switch