GM Service Manual Online
For 1990-2009 cars only
Makes
🢒
Saturn
🢒
2005
🢒
ION
🢒 2.2L
2.2L
Master Electrical Component List
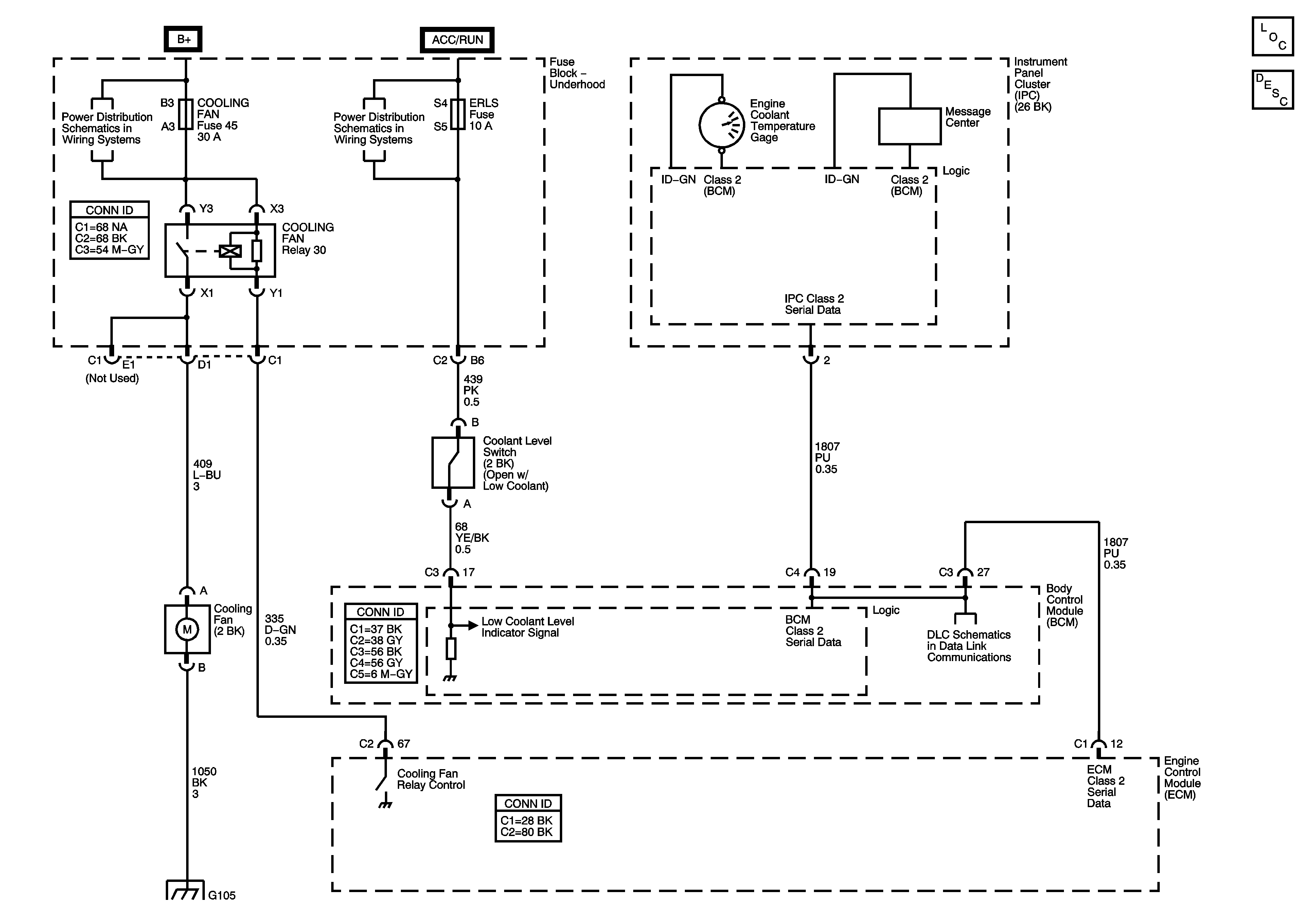
Cooling System Description and Operation
Fuse Block - Underhood BUS
Fuse Block - Underhood Fuses: ERLS and Injectors, BCM Fuses: Air Bag, EPS
Data Link Communication Schematics
G103 (2.2L), G105 (2.2L), G109