GM Service Manual Online
For 1990-2009 cars only
Makes
🢒
Saturn
🢒
2005
🢒
ION
🢒 Ground, Power, and Steering Wheel
Ground, Power, and Steering Wheel
Driver Controls
Master Electrical Component List
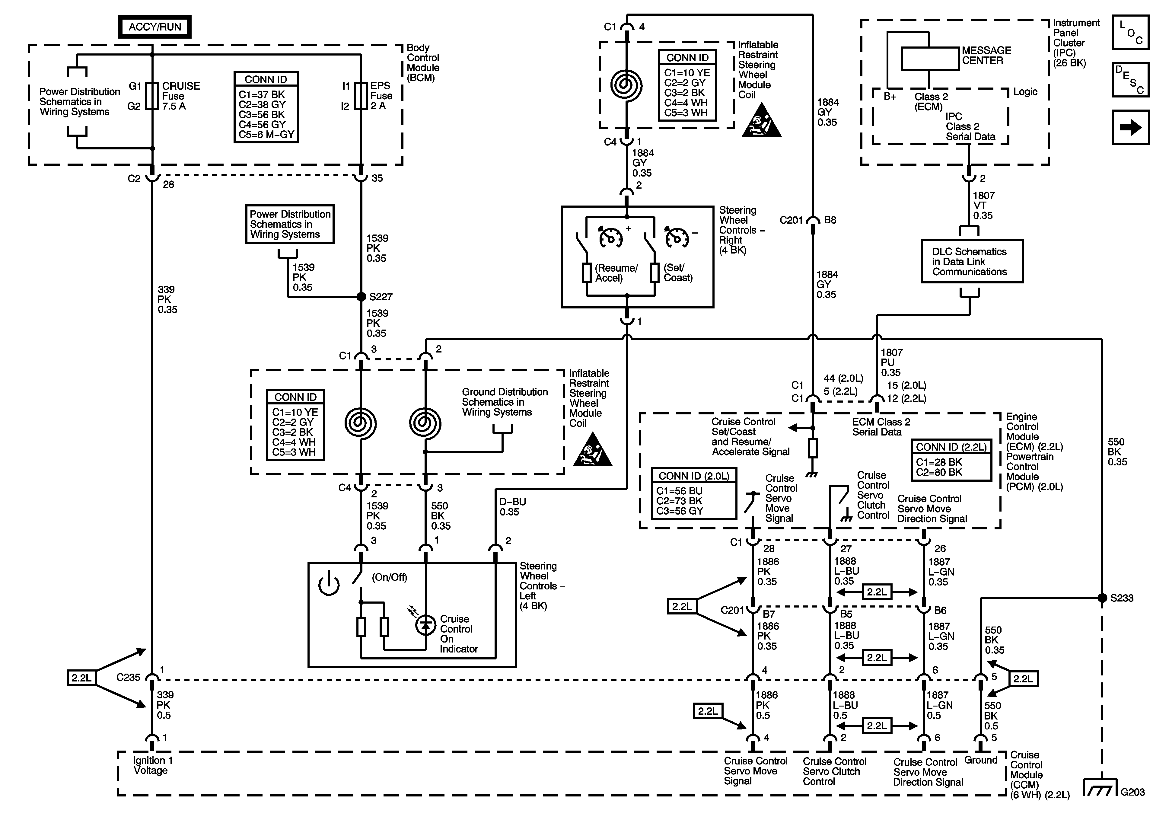
Cruise Control Description and Operation 2.2L
Stop Lamp Switch
Fuse Block - Underhood Fuses: ERLS and Injectors, BCM Fuses: Air Bag, EPS
Fuse Block - Underhood Fuses: ERLS and Injectors, BCM Fuses: Air Bag, EPS
SIR Caution for Zoning
Data Link Communication Schematics
G203
SIR Caution for Zoning
G203