GM Service Manual Online
For 1990-2009 cars only
Makes
🢒
Saturn
🢒
2005
🢒
ION
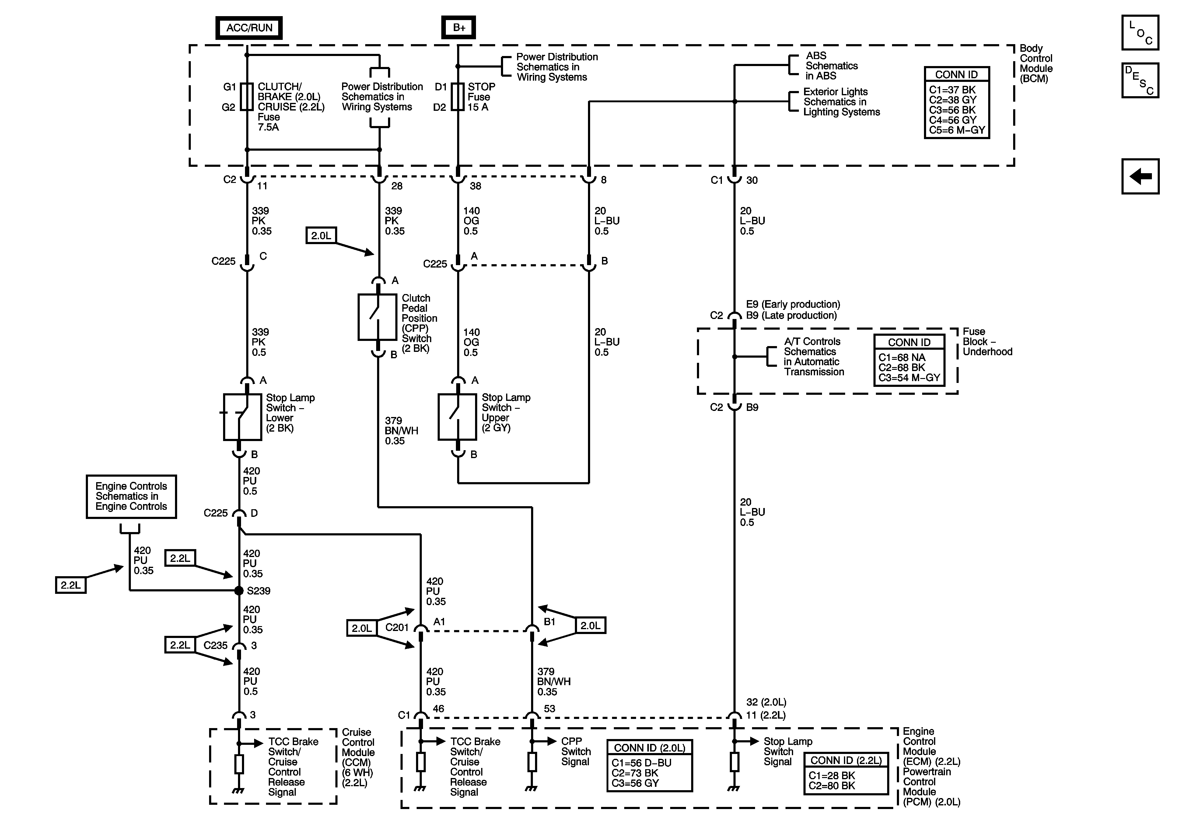
🢒 Stop Lamp Switch
Stop Lamp Switch
Stop Lamp Switches
Master Electrical Component List
Cruise Control Description and Operation 2.2L
Ground, Power, and Steering Wheel
Fuse Block - Underhood Fuses: ERLS and Injectors, BCM Fuses: Air Bag, EPS
Fuse Block - Underhood Fuses: IPBATT2 and RUN (IGN3) BCM Fuses: BCM Elect, Cluster, Fuel Pump, HVAC, IGN SW, and Stop
Traction Control, DLC, and Indicators
Stop Lamps - Early Production
Module Power, Ground, DLC, PNP Switch Signals, and Message Center Controls
Ignition Controls