GM Service Manual Online
For 1990-2009 cars only
Makes
🢒
Saturn
🢒
2005
🢒
ION
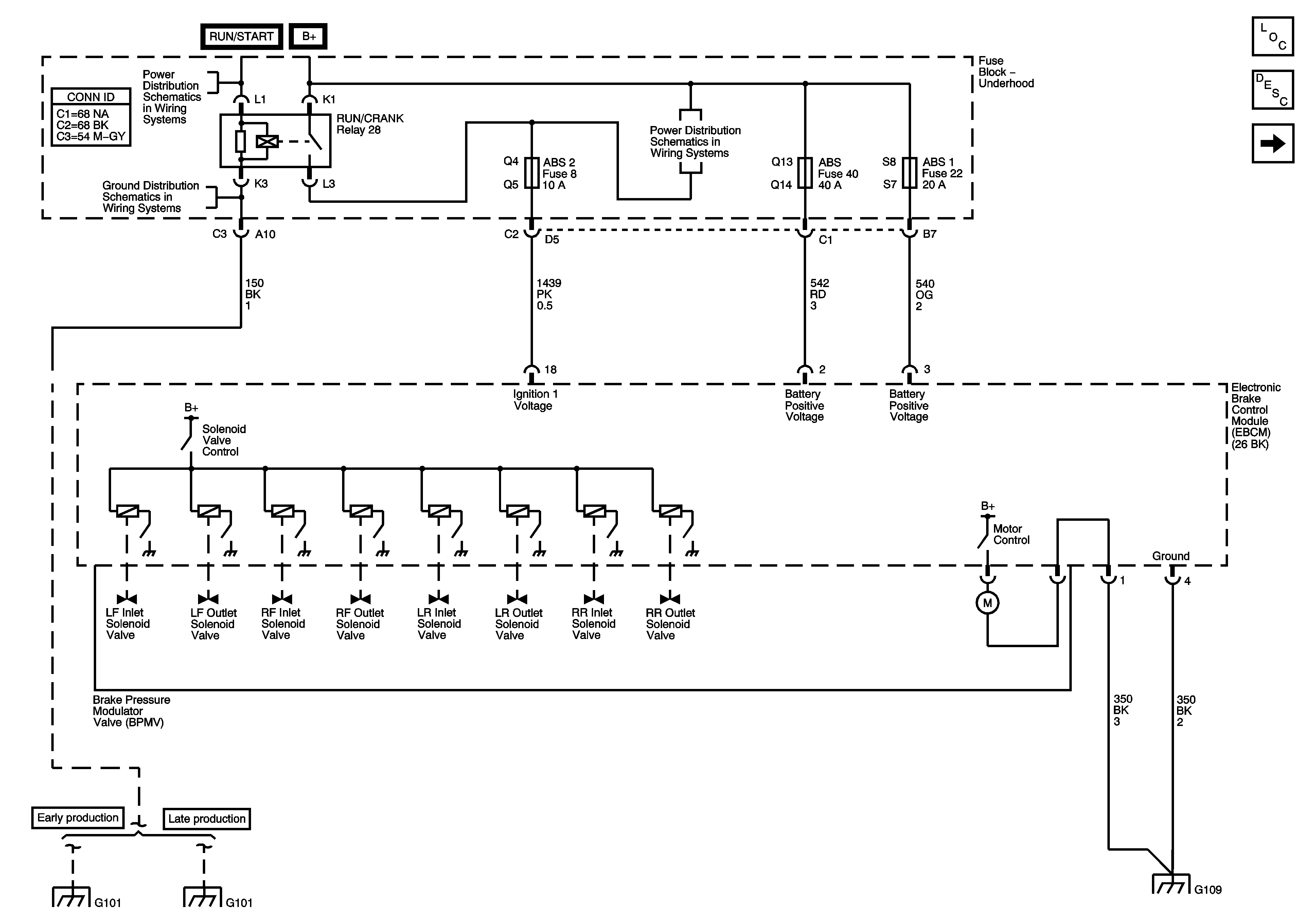
🢒 Power, Ground, and BPMV Controls
Power, Ground, and BPMV Controls
Power, Ground, and BPMV Controls
Master Electrical Component List
ABS Description and Operation
Traction Control, DLC, and Indicators
Ignition Switch
G101 - Early Production
Fuse Block - Underhood Fuses: ABS, ABS1, ABS2, ECM, ECM/TCM, IGN, LH HDLP, Prem Audio, RH HDLP, Run/Crank
G101 - Early Production
G101 - Late Production
G103 (2.2L), G105 (2.2L), G109