GM Service Manual Online
For 1990-2009 cars only
Makes
🢒
Saturn
🢒
2005
🢒
ION
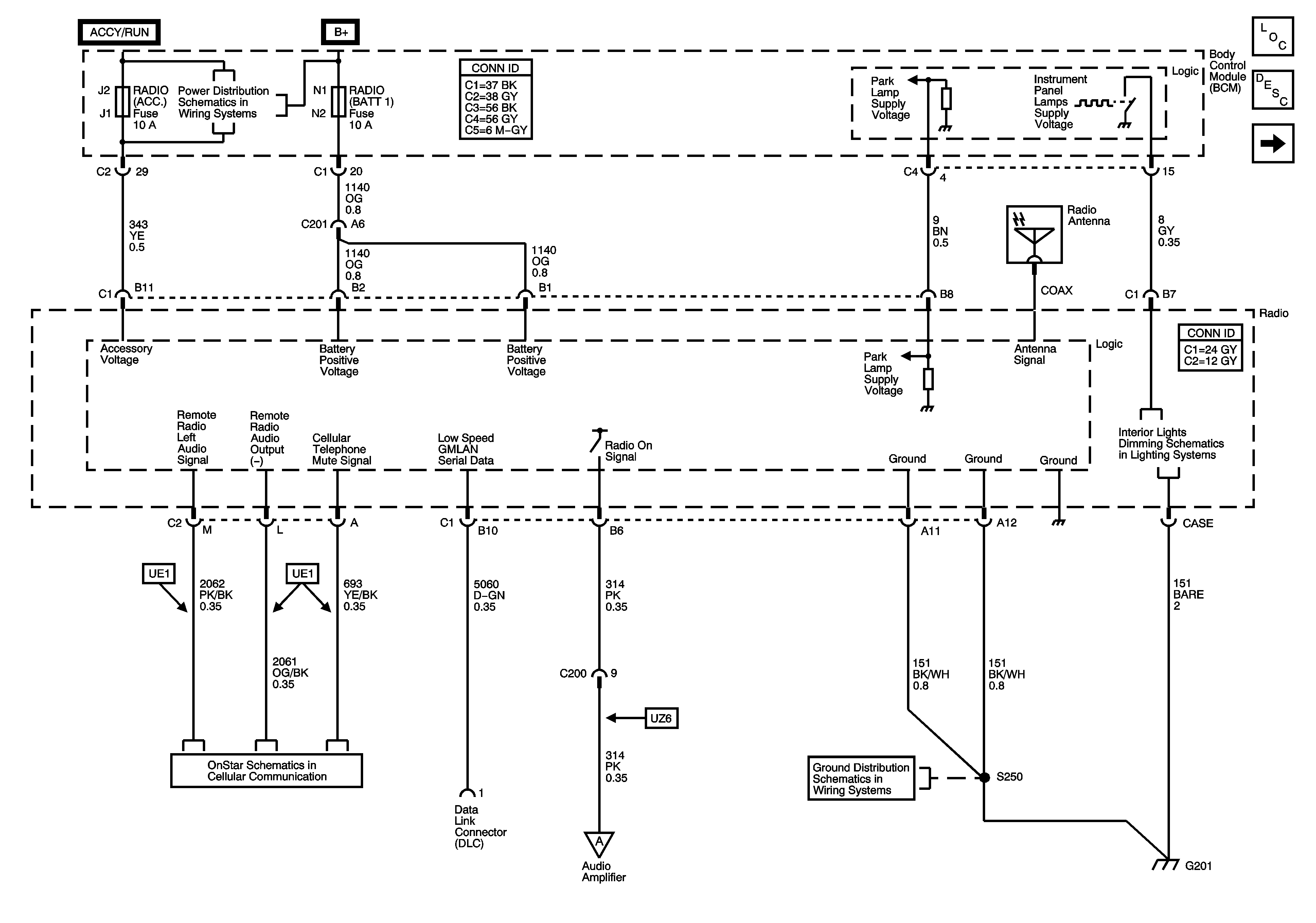
🢒 Ground, Power, Signals, and References to Cellular Communication and Lighting
Ground, Power, Signals, and References to Cellular Communication and Lighting
Ground, Power, Signals, and References to Cellular Communications and Lighting
Master Electrical Component List
Radio/Audio System Description and Operation
Speakers - U79 or UX7
Fuse Block - Underhood Fuses: IPBATT1, IPBATT1A, BCM Fuses: (BCM (PWR), DASH, Lighter, Onstar, Park, PWR Outlet, PWR Windows, Radio (ACC), Radio (BATT1), Sunroof, and Wiper Sw
Interior Lights Dimming Schematics
OnStar Schematics
Radio to Amplifier to Speakers - UZ6
G201
G201