GM Service Manual Online
For 1990-2009 cars only
Makes
🢒
Saturn
🢒
2005
🢒
ION
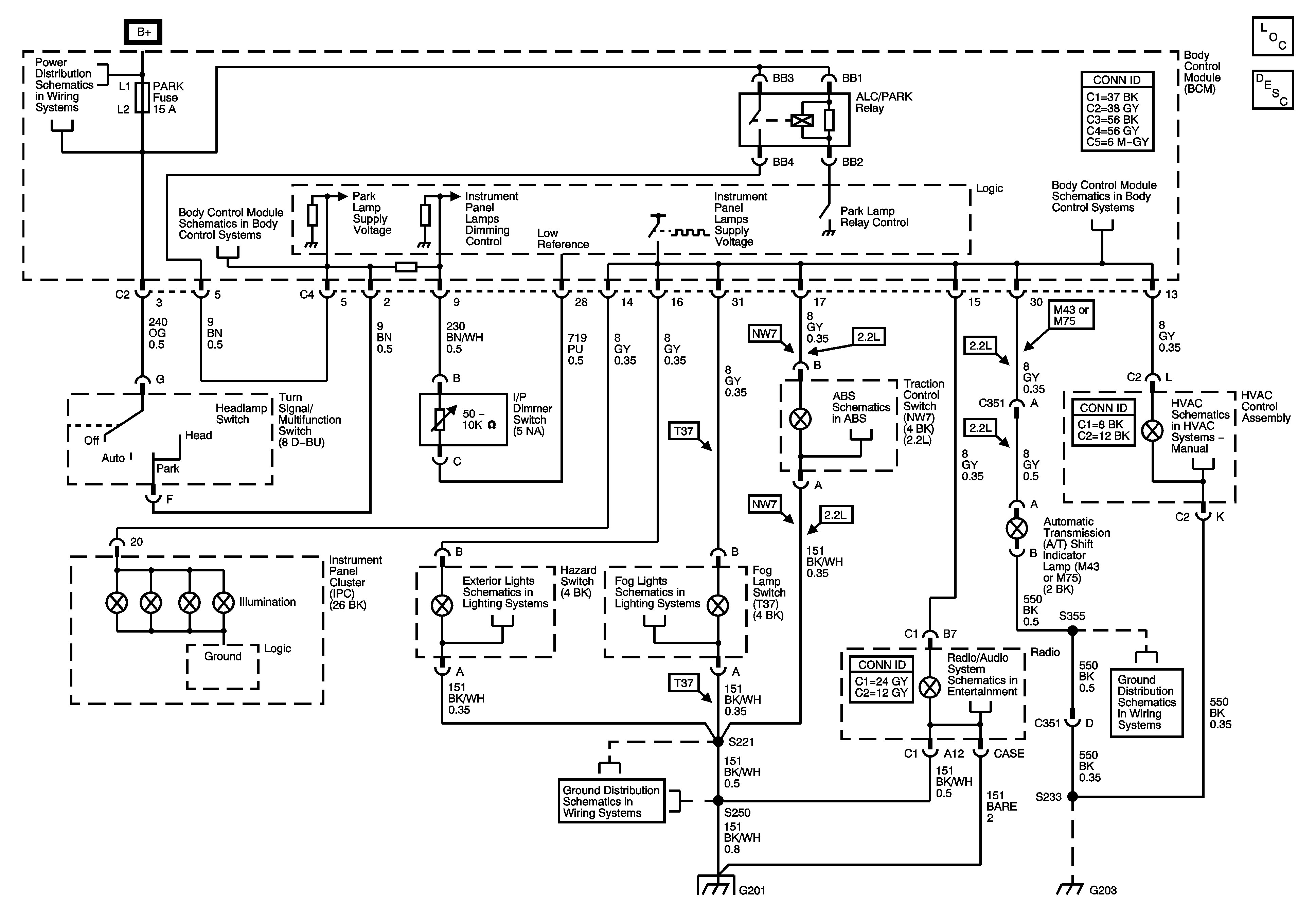
🢒 Interior Lights Dimming Schematics
Interior Lights Dimming Schematics
Master Electrical Component List
Interior Lighting Systems Description and Operation
Fuse Block - Underhood Fuses: IPBATT1, IPBATT1A, BCM Fuses: (BCM (PWR), DASH, Lighter, Onstar, Park, PWR Outlet, PWR Windows, Radio (ACC), Radio (BATT1), Sunroof, and Wiper Sw
Subsystem Reference to Entertainment and Lighting
Ground, Power, Subsystem, References to ABS Hydraulic Brake, Lighting, and Shift Lock DLC, Engine Cooling, HVAC-Manual
Traction Control, DLC, and Indicators
Air Recirculation Controls (C60)
Turn/Hazard Lamps
Fog Lights Schematics
Ground, Power, Signals, and References to Cellular Communication and Lighting
G203
G201
G201
G203