GM Service Manual Online
For 1990-2009 cars only
Makes
🢒
Saturn
🢒
2005
🢒
ION
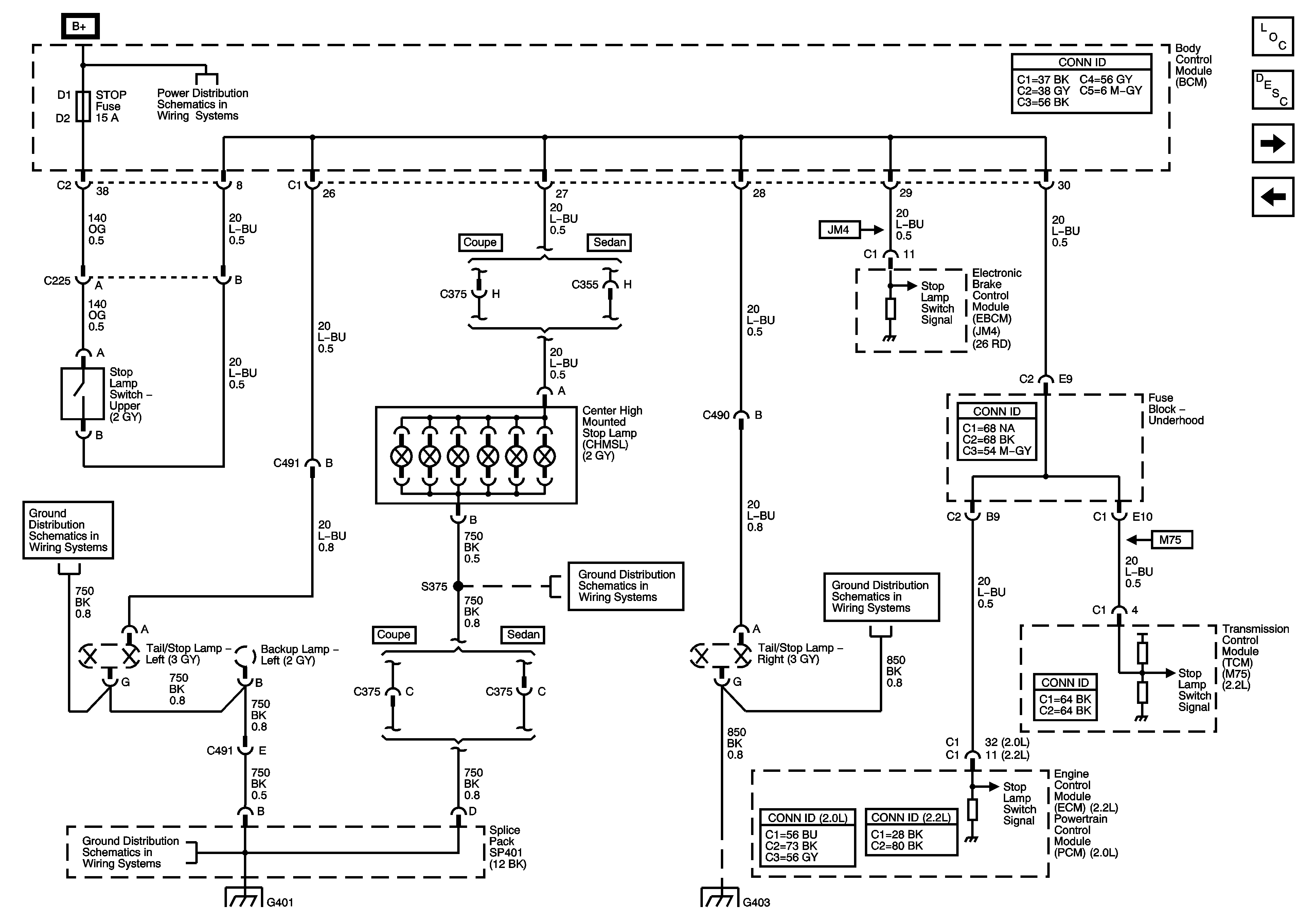
🢒 Stop Lamps - Early Production
Stop Lamps - Early Production
Stop Lamps - Early Production
Master Electrical Component List
Exterior Lighting Systems Description and Operation
Stop Lamps - Late Production
Turn/Hazard Lamps
Fuse Block - Underhood Fuses: IPBATT2 and RUN (IGN3) BCM Fuses: BCM Elect, Cluster, Fuel Pump, HVAC, IGN SW, and Stop
G401 - Early Production
G401 - Early Production
G403 and G502
G401 - Early Production
G401 - Early Production
G403 and G502