GM Service Manual Online
For 1990-2009 cars only
Makes
🢒
Saturn
🢒
2005
🢒
ION
🢒 Interior Lights Schematics
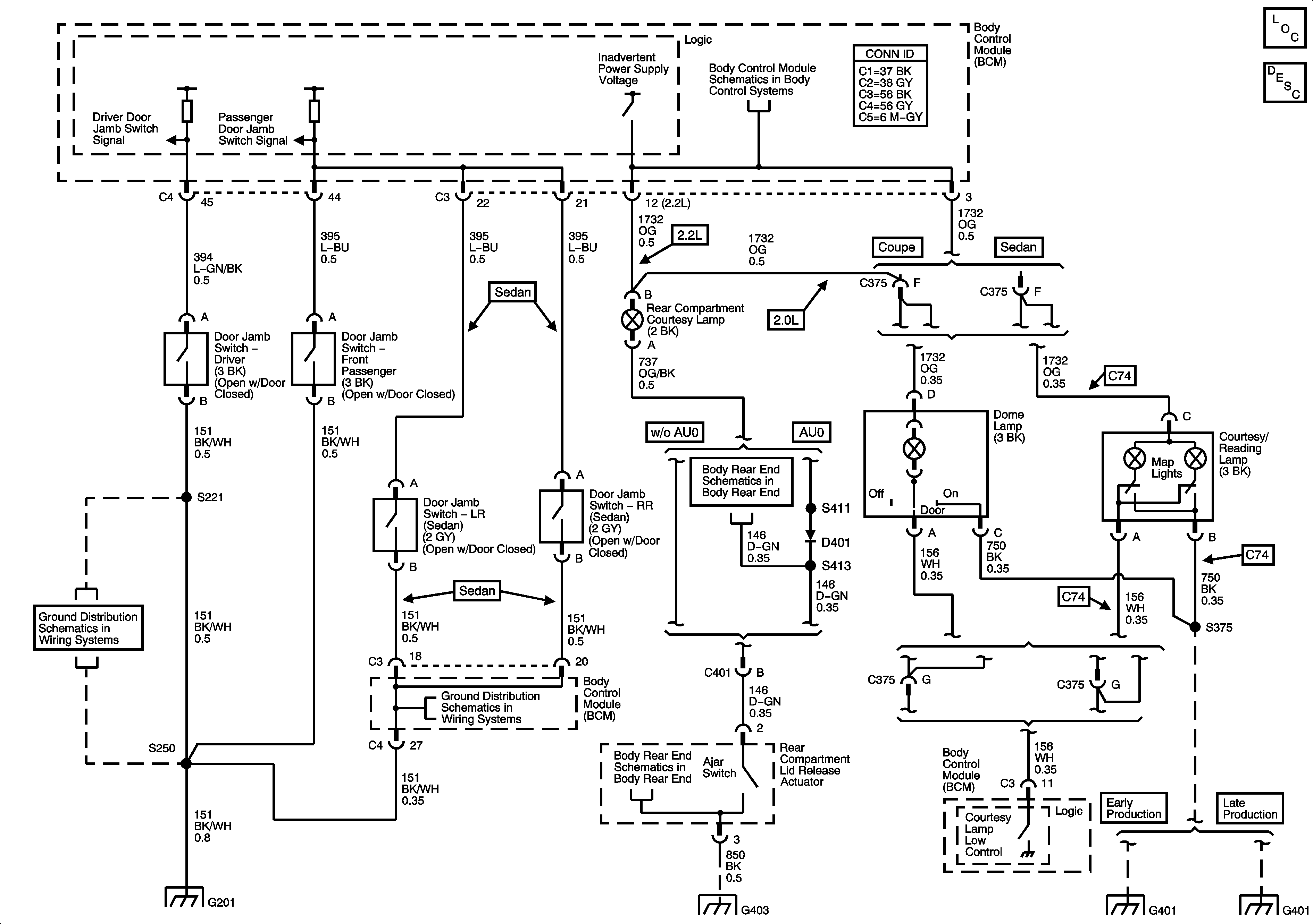
Interior Lights Schematics
Master Electrical Component List
Interior Lighting Systems Description and Operation
Subsystem References to Body Rear End, Doors, Horns, and Lighting
Body Rear End Schematics
G201
G201
Body Rear End Schematics
G201
G403 and G502
G401 - Early Production
G401 - Late Production