GM Service Manual Online
For 1990-2009 cars only
Makes
🢒
Saturn
🢒
2005
🢒
ION
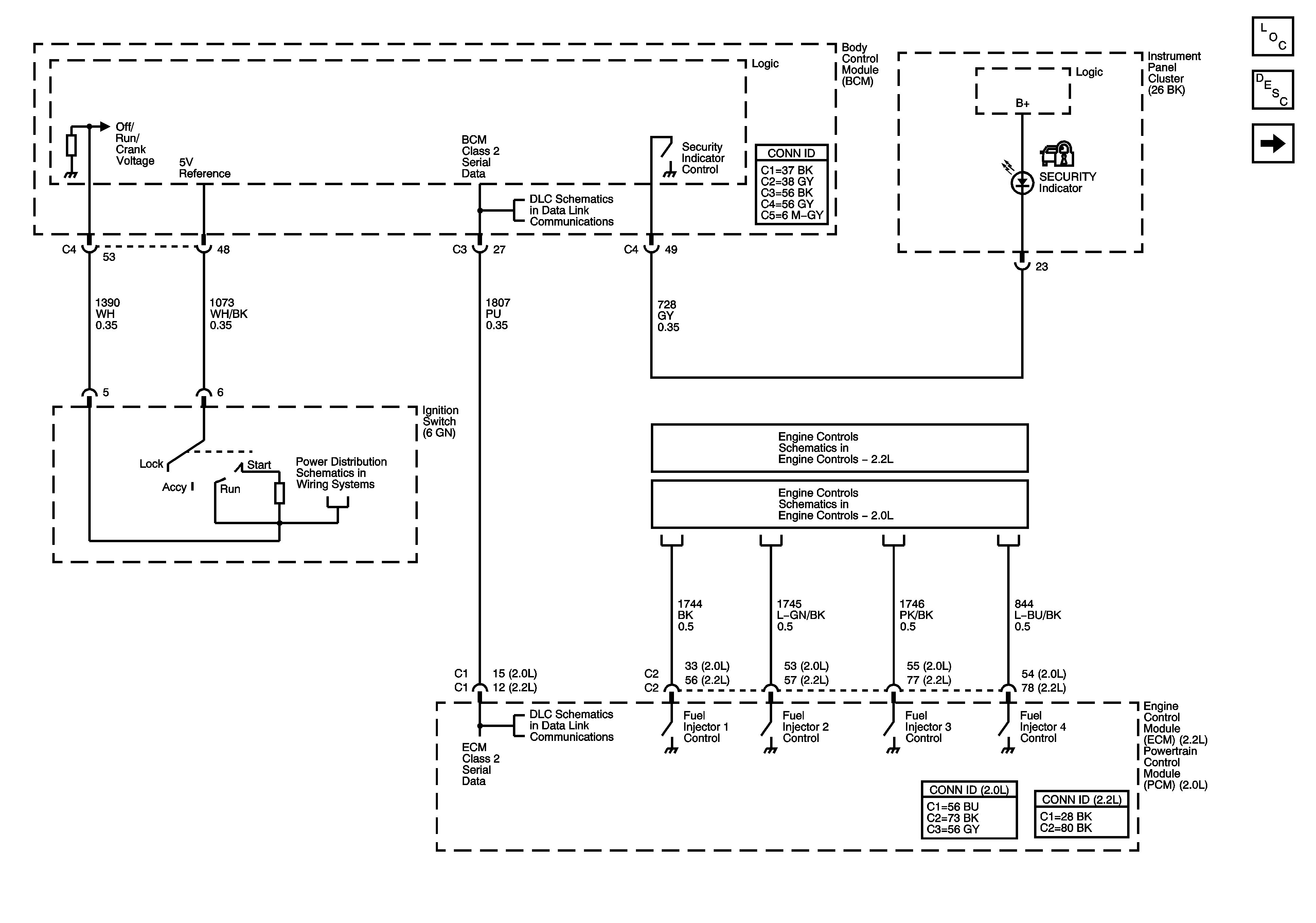
🢒 Vehicle Theft Deterrent
Vehicle Theft Deterrent
Vehicle Theft Deterrent
Master Electrical Component List
Vehicle Theft Deterrent (VTD) Description and Operation
COntent Theft Deterrent
Data Link Communication Schematics
Ignition Switch
Fuel Delivery
Fuel Delivery
Data Link Communication Schematics