GM Service Manual Online
For 1990-2009 cars only
Makes
🢒
Saturn
🢒
2005
🢒
ION
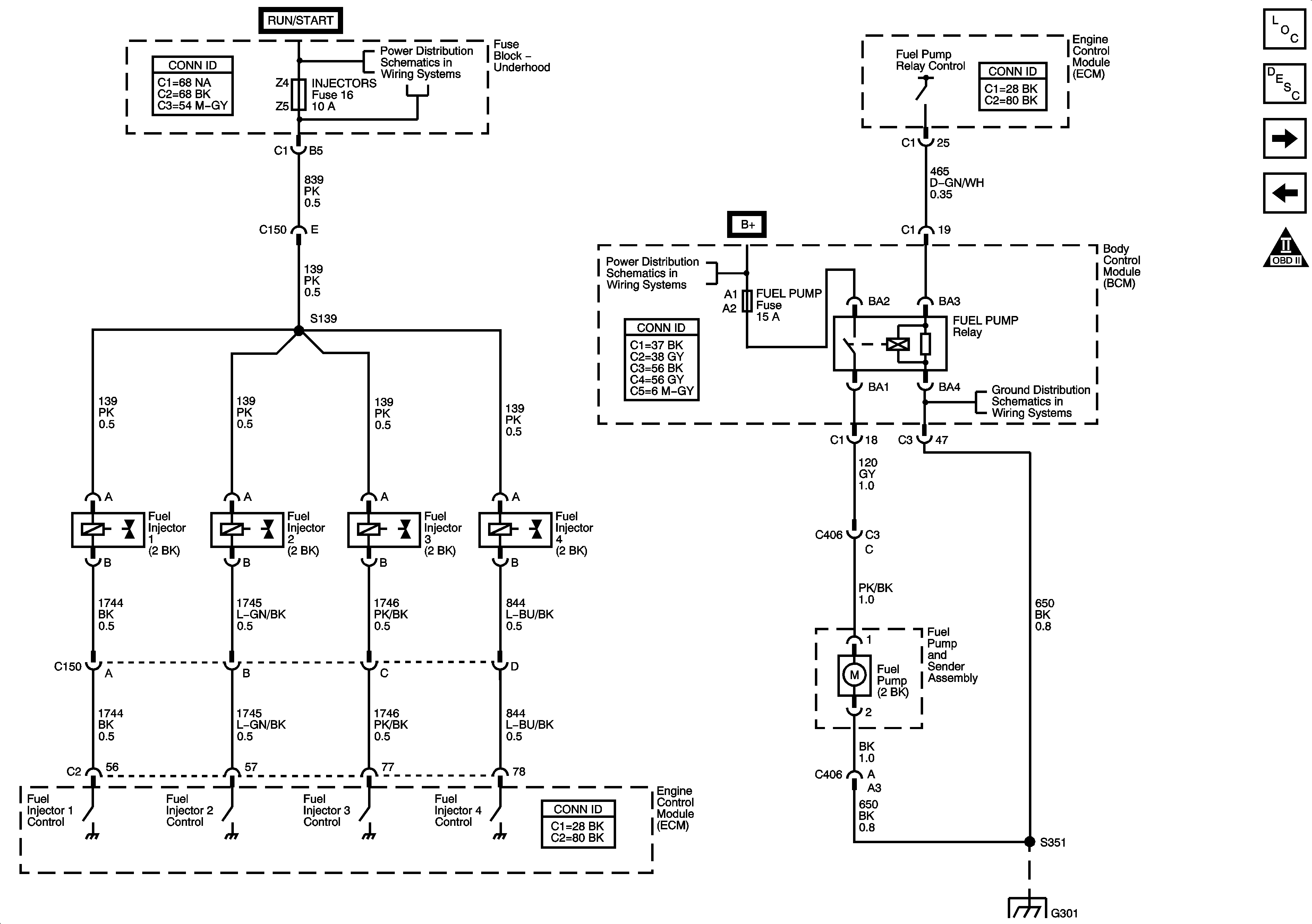
🢒 Fuel Delivery
Fuel Delivery
Fuel Delivery
Master Electrical Component List
Engine Control Module Description
EVAP Controls and IAC
Ignition Controls
OBD II Symbol Description Notice
Fuse Block - Underhood Fuses: ERLS and Injectors, BCM Fuses: Air Bag, EPS
Fuse Block - Underhood Fuses: IPBATT2 and RUN (IGN3) BCM Fuses: BCM Elect, Cluster, Fuel Pump, HVAC, IGN SW, and Stop
G301
G301