GM Service Manual Online
For 1990-2009 cars only
Makes
🢒
Saturn
🢒
2005
🢒
ION
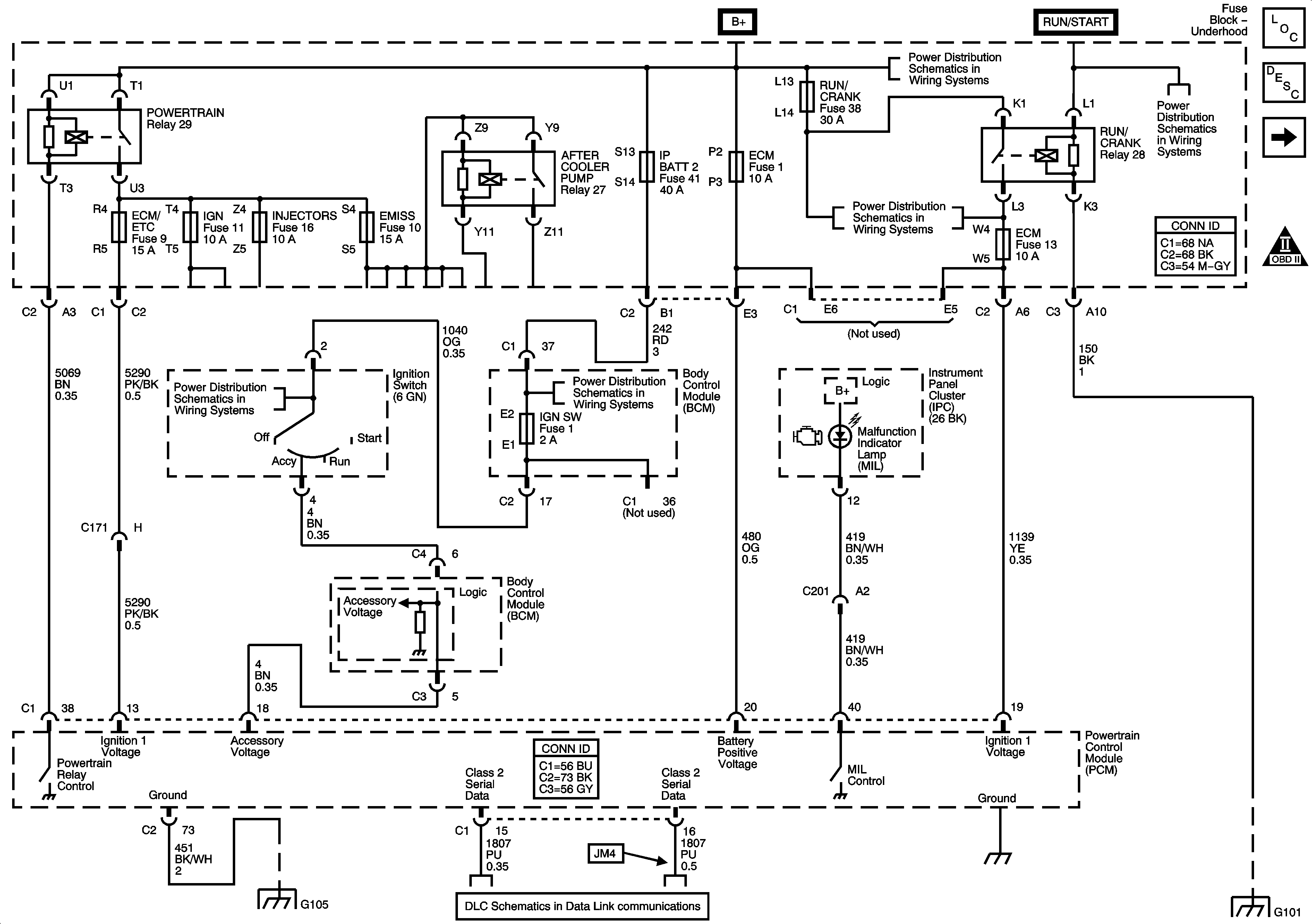
🢒 Power, Ground, MIL, and Serial Data
Power, Ground, MIL, and Serial Data
Power, Ground, MIL, and Serial Data
Master Electrical Component List
Powertrain Control Module Description
Engine Data Sensors-5Volt and Low Reference Busing
OBD II Symbol Description Notice
Fuse Block - Underhood Fuses: ABS, ABS1, ABS2, ECM, ECM/TCM, IGN, LH HDLP, Prem Audio, RH HDLP, Run/Crank
Fuse Block - Underhood BUS
Fuse Block - Underhood Fuses: ABS, ABS1, ABS2, ECM, ECM/TCM, IGN, LH HDLP, Prem Audio, RH HDLP, Run/Crank
Ignition Switch
Ignition Switch
G103(2.0L), G105(2.0L)
Data Link Communication Schematics
G101 - Early Production