GM Service Manual Online
For 1990-2009 cars only
Makes
🢒
Saturn
🢒
2005
🢒
ION
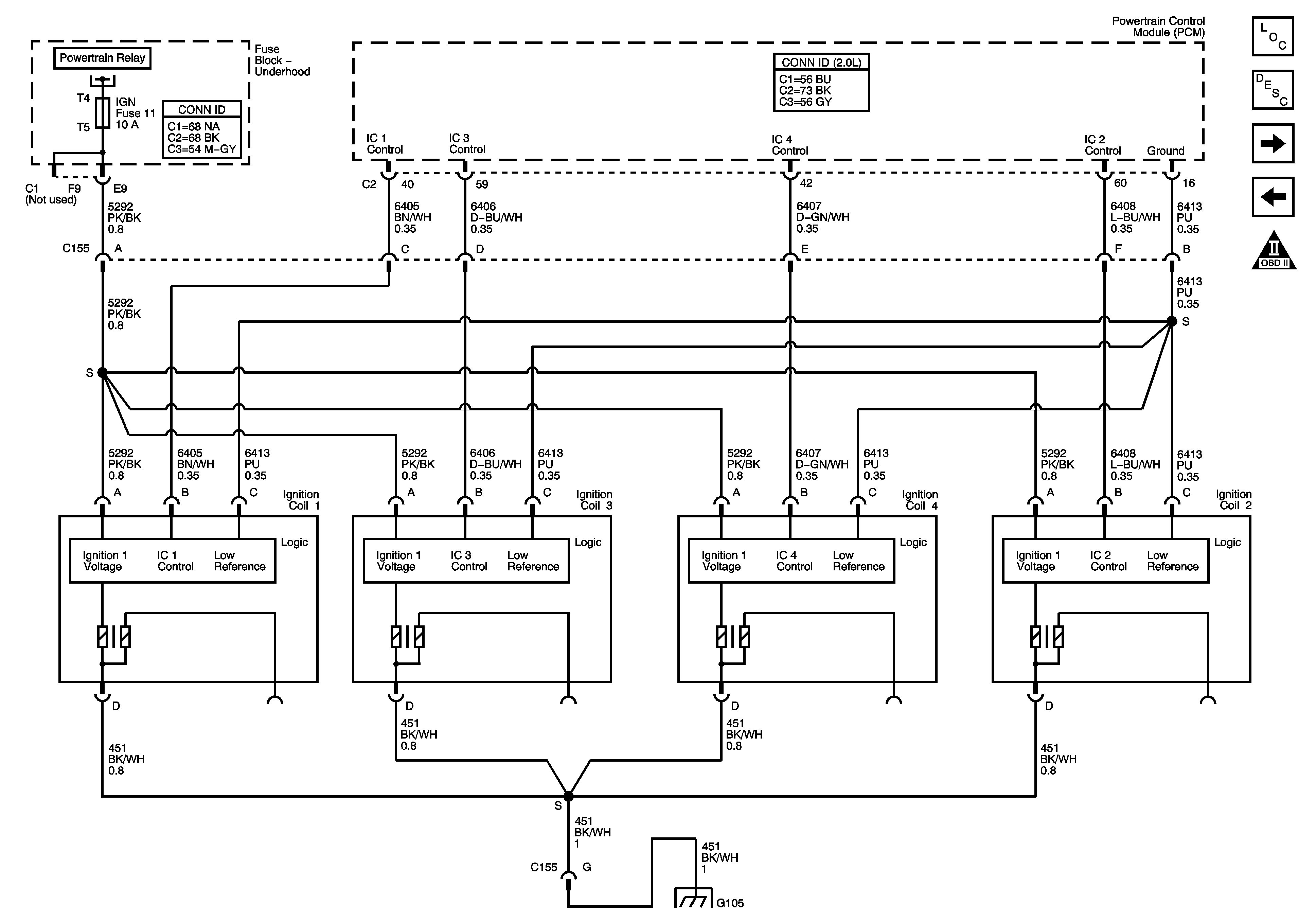
🢒 Ignition Controls
Ignition Controls
Ignition Controls
Master Electrical Component List
Powertrain Control Module Description
Fuel Delivery
Engine Data Sensors-APP and TAC
OBD II Symbol Description Notice
Fuse Block Underhood (2.0L)-ECM/ETC, IGN, Injectors, EMISS, Cooling Fan 2, and ECM
G103(2.0L), G105(2.0L)