GM Service Manual Online
For 1990-2009 cars only
Makes
🢒
Saturn
🢒
2005
🢒
ION
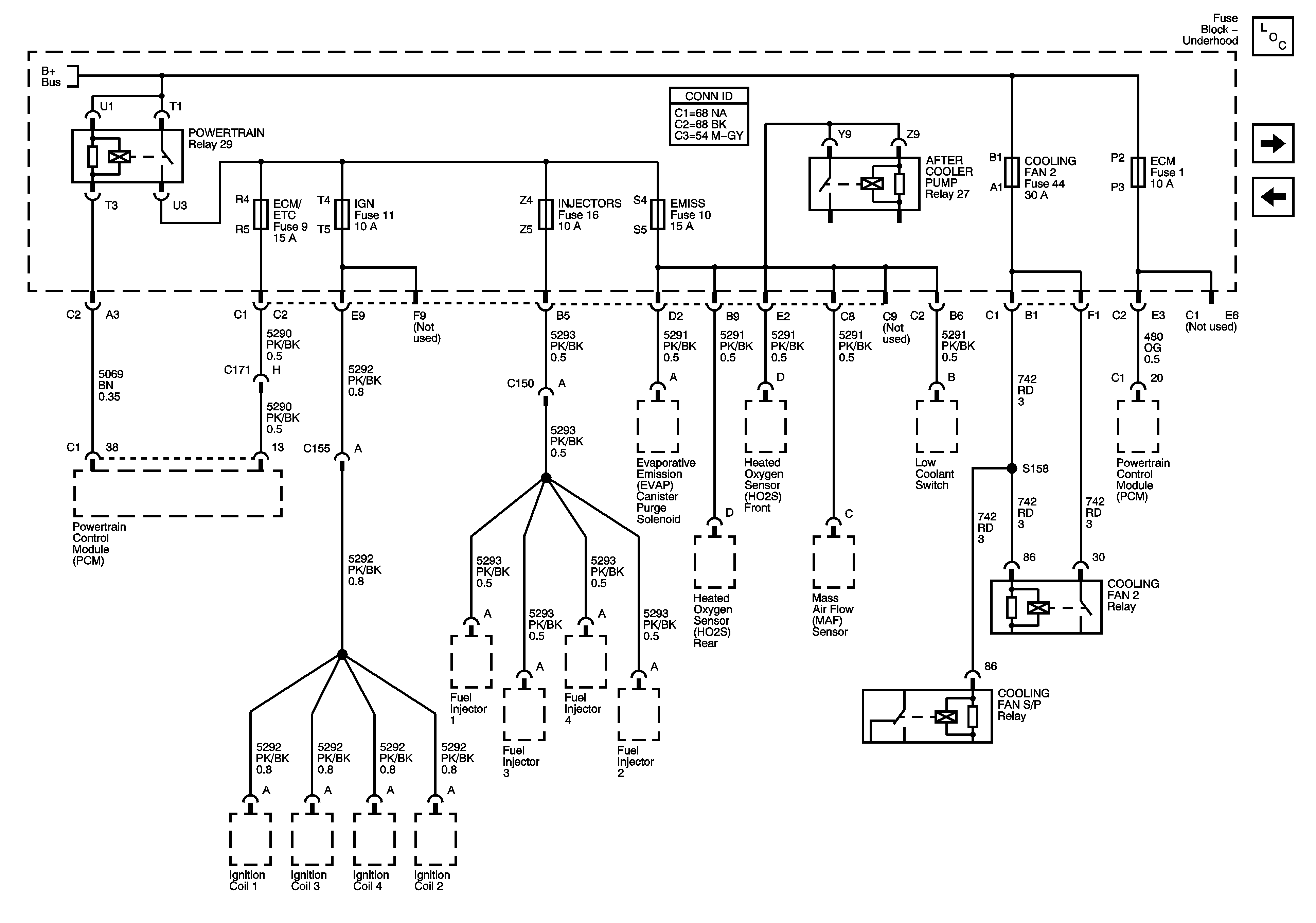
🢒 Fuse Block Underhood (2.0L)-ECM/ETC, IGN, Injectors, EMISS, Cooling Fan 2, and ECM
Fuse Block Underhood (2.0L)-ECM/ETC, IGN, Injectors, EMISS, Cooling Fan 2, and ECM
Fuse Block Underhood (2.0L) - ECM/ETC, IGN, Injectors, EMISS, Cooling Fan 2, and ECM
Master Electrical Component List
Fuse Block - Underhood Fuses: Backup, TRANS1, TRANS2
Fuse Block - Underhood Fuses: ABS, ABS1, ABS2, ECM, ECM/TCM, IGN, LH HDLP, Prem Audio, RH HDLP, Run/Crank
Fuse Block - Underhood BUS