GM Service Manual Online
For 1990-2009 cars only

2.0L


Object Number: 1378779  Size: FS
Master Electrical Component List
Cooling System Description and Operation
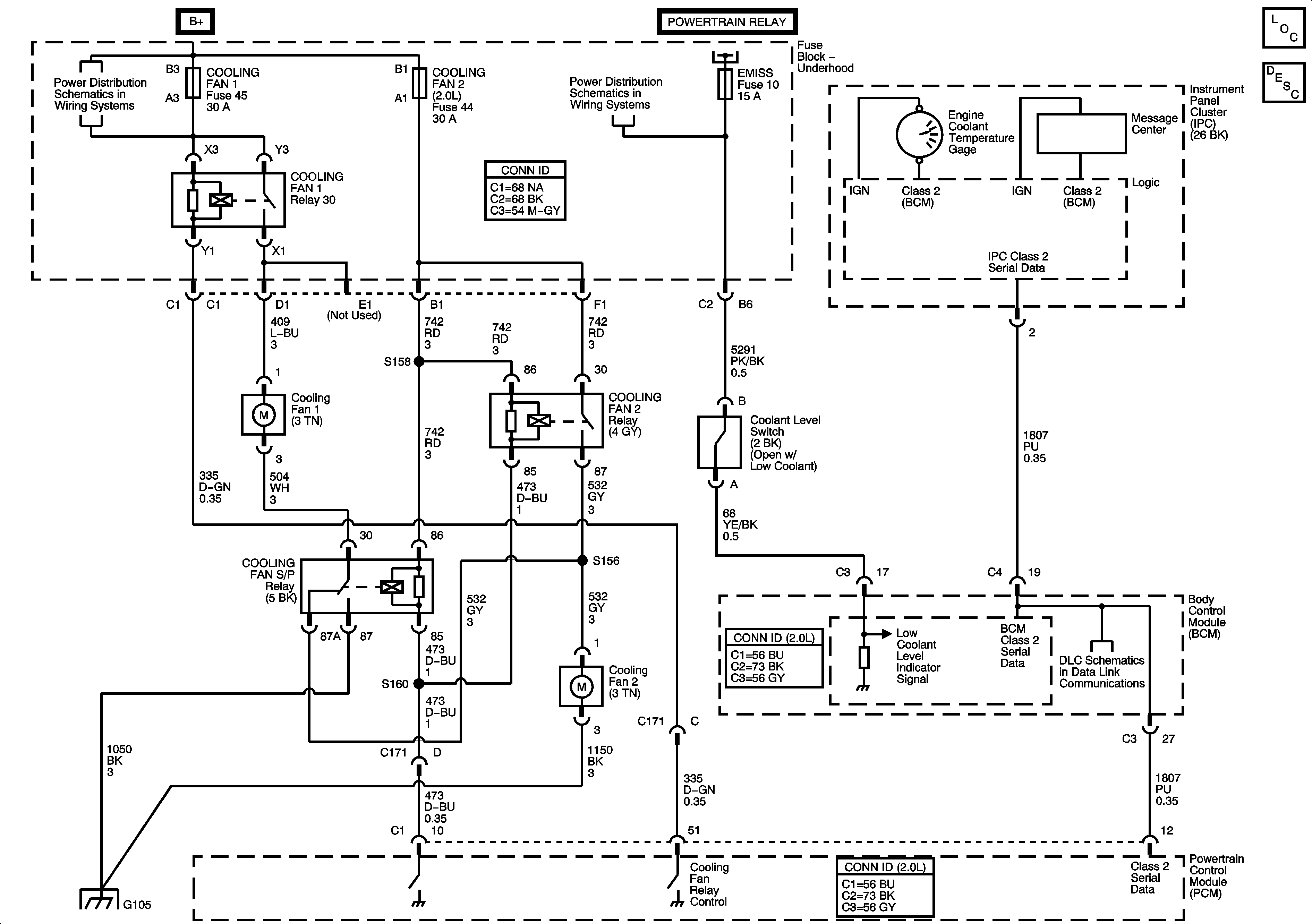
Fuse Block Underhood (2.0L)-ECM/ETC, IGN, Injectors, EMISS, Cooling Fan 2, and ECM
Fuse Block Underhood (2.0L)-ECM/ETC, IGN, Injectors, EMISS, Cooling Fan 2, and ECM
Fuse Block Underhood (2.0L)-ECM/ETC, IGN, Injectors, EMISS, Cooling Fan 2, and ECM
Data Link Communication Schematics
G103(2.0L), G105(2.0L)