GM Service Manual Online
For 1990-2009 cars only
Makes
🢒
Saturn
🢒
2005
🢒
ION
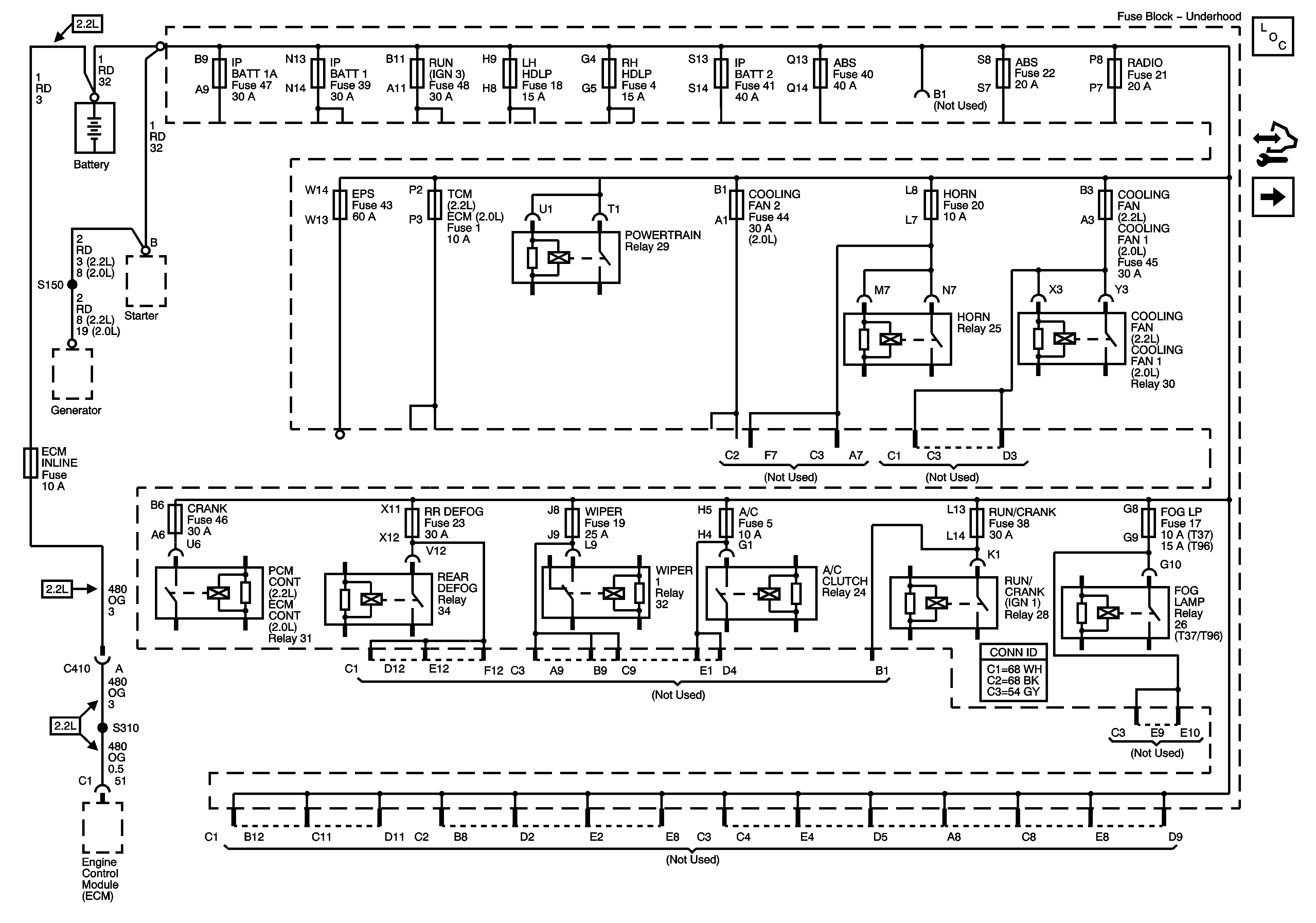
🢒 Fuseblock - Underhood Bus
Fuseblock - Underhood Bus
Fuse Block - Underhood Bus
Master Electrical Component List
Control Module References
ABS (40A), ABS (20A), COOLING FAN 2, ECM, LH HDLP, RADIO, RH HDLP, and TCM Fuses