GM Service Manual Online
For 1990-2009 cars only
Makes
🢒
Saturn
🢒
2005
🢒
ION
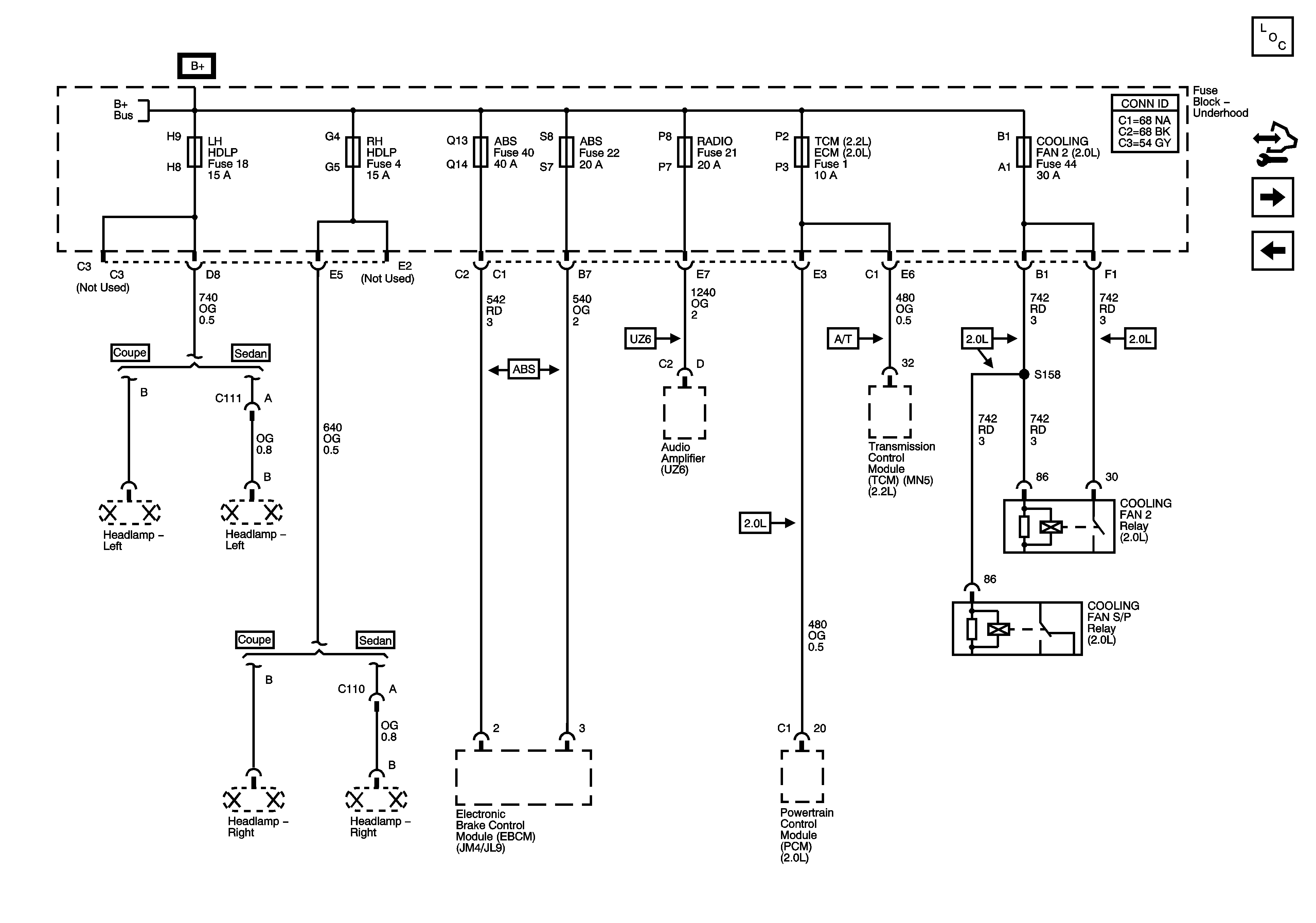
🢒 ABS (40A), ABS (20A), COOLING FAN 2, ECM, LH HDLP, RADIO, RH HDLP, and TCM Fuses
ABS (40A), ABS (20A), COOLING FAN 2, ECM, LH HDLP, RADIO, RH HDLP, and TCM Fuses
ABS (40A), ABS (20A), COOLING FAN 2, ECM, LH HDLP, RADIO, RH HDLP, and TCM Fuses
Master Electrical Component List
Control Module References
BCM (PWR), DASH, IP BATT 1, IP BATT 1A, LIGHTER, ONSTAR, PARK, PWR OUTLET, PWR WINDOWS, RADIO (ACC.), RADIO (BATT), SUN ROOF, and WIPER SW Fuses
Fuseblock - Underhood Bus
Fuseblock - Underhood Bus