GM Service Manual Online
For 1990-2009 cars only
Makes
🢒
Saturn
🢒
2005
🢒
ION
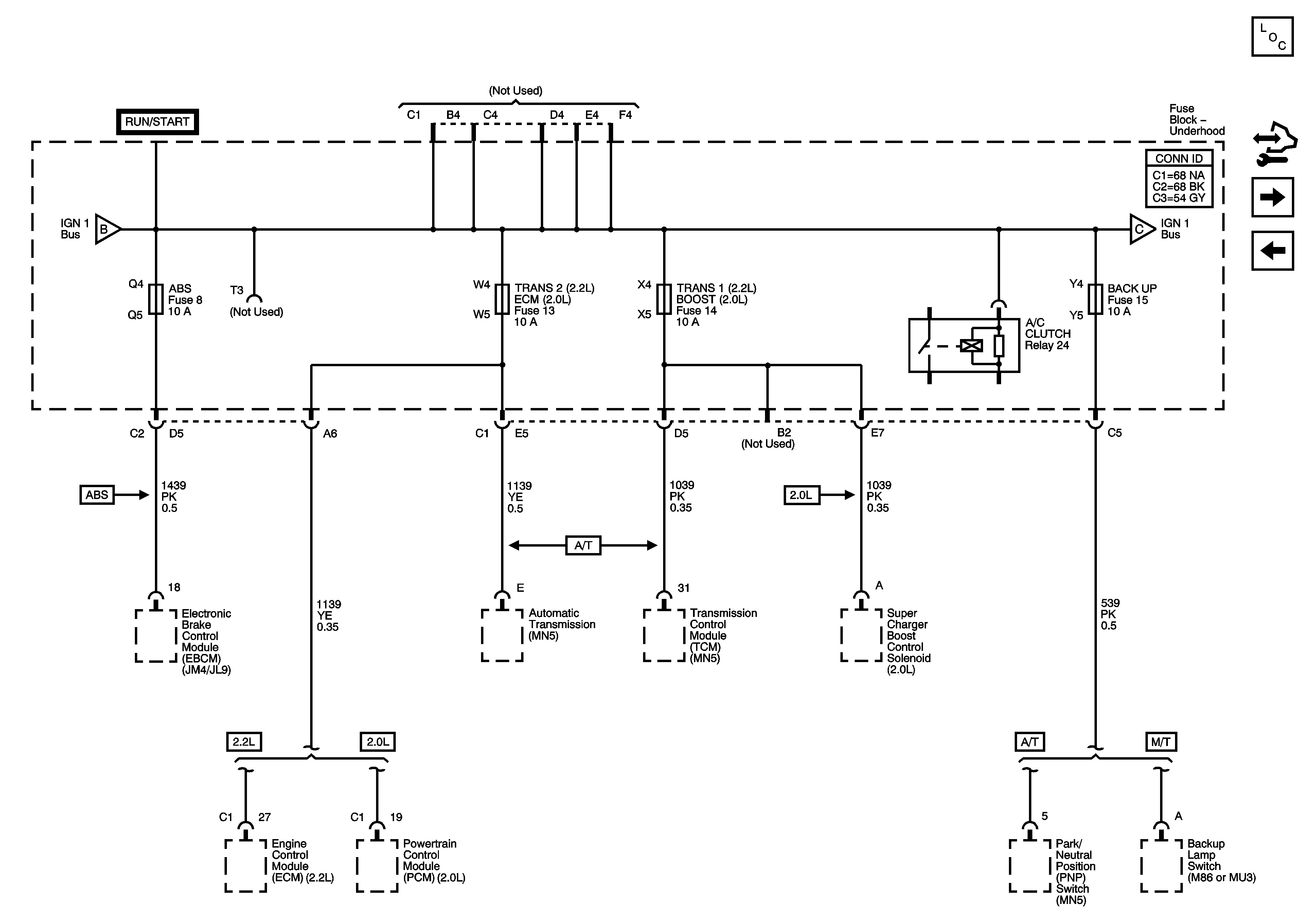
🢒 ABS (10A), BACK UP, BOOST, ECM, TRANS 1, and TRANS 2 Fuses
ABS (10A), BACK UP, BOOST, ECM, TRANS 1, and TRANS 2 Fuses
ABS (10A), BACK UP, BOOST, ECM, TRANS 1, and TRANS 2 Fuses
Master Electrical Component List
Control Module References
AIR BAG, CLUTCH/BRAKE, and 2A EPS (2A) Fuses
Ignition Switch and RUN/CRANK Fuse
Ignition Switch and RUN/CRANK Fuse
AIR BAG, CLUTCH/BRAKE, and 2A EPS (2A) Fuses