GM Service Manual Online
For 1990-2009 cars only
Makes
🢒
Saturn
🢒
2005
🢒
ION
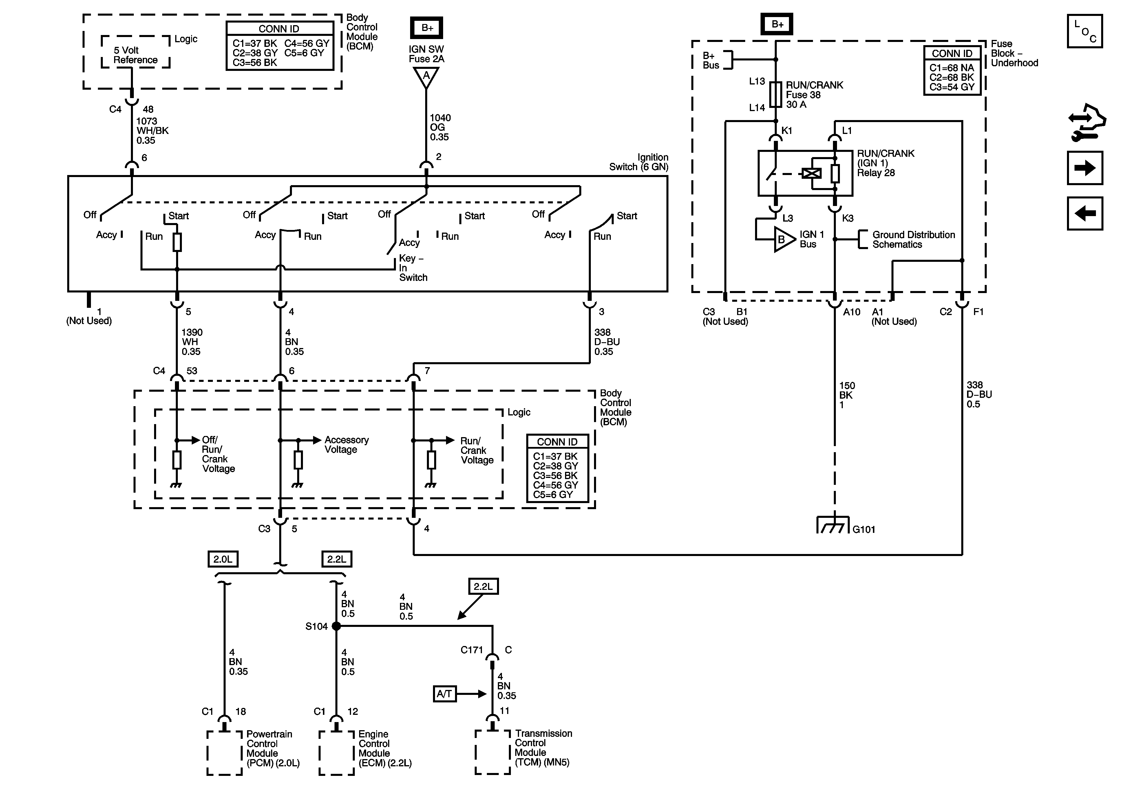
🢒 Ignition Switch and RUN/CRANK Fuse
Ignition Switch and RUN/CRANK Fuse
Ignition Switch and RUN/CRANK Fuse
Master Electrical Component List
Control Module References
ABS (10A), BACK UP, BOOST, ECM, TRANS 1, and TRANS 2 Fuses
BCM ELECT, CLUSTER, EPS (60A), FUEL PUMP, HVAC, IGN SW, IP BATT 2, RUN (IGN 3), and STOP Fuses
BCM ELECT, CLUSTER, EPS (60A), FUEL PUMP, HVAC, IGN SW, IP BATT 2, RUN (IGN 3), and STOP Fuses
Fuseblock - Underhood Bus
ABS (10A), BACK UP, BOOST, ECM, TRANS 1, and TRANS 2 Fuses
G101
G101