GM Service Manual Online
For 1990-2009 cars only
Makes
🢒
Saturn
🢒
2005
🢒
ION
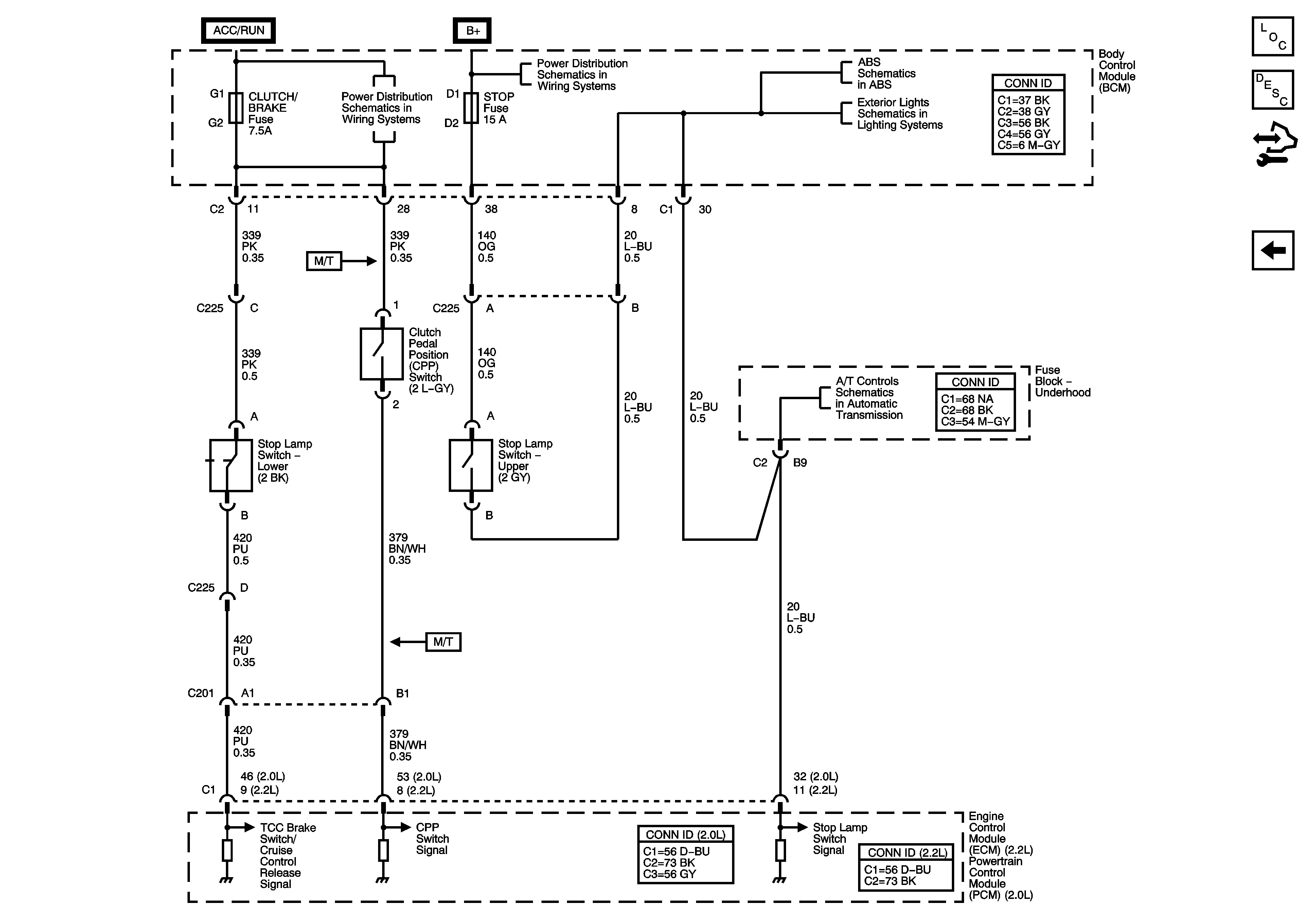
🢒 Stop Lamp and Clutch Switches
Stop Lamp and Clutch Switches
Stop Lamp and Clutch Switches
Master Electrical Component List
Cruise Control Description and Operation non 2.0L
Control Module References
Driver Controls
AIR BAG, CLUTCH/BRAKE, and 2A EPS (2A) Fuses
Fuseblock - Underhood Bus
Traction Control, DLC, and Indicators
Stop Lamps
Accessory Voltage, Stop Lamp Switch, and Serial Data