GM Service Manual Online
For 1990-2009 cars only
Makes
🢒
Saturn
🢒
2005
🢒
ION
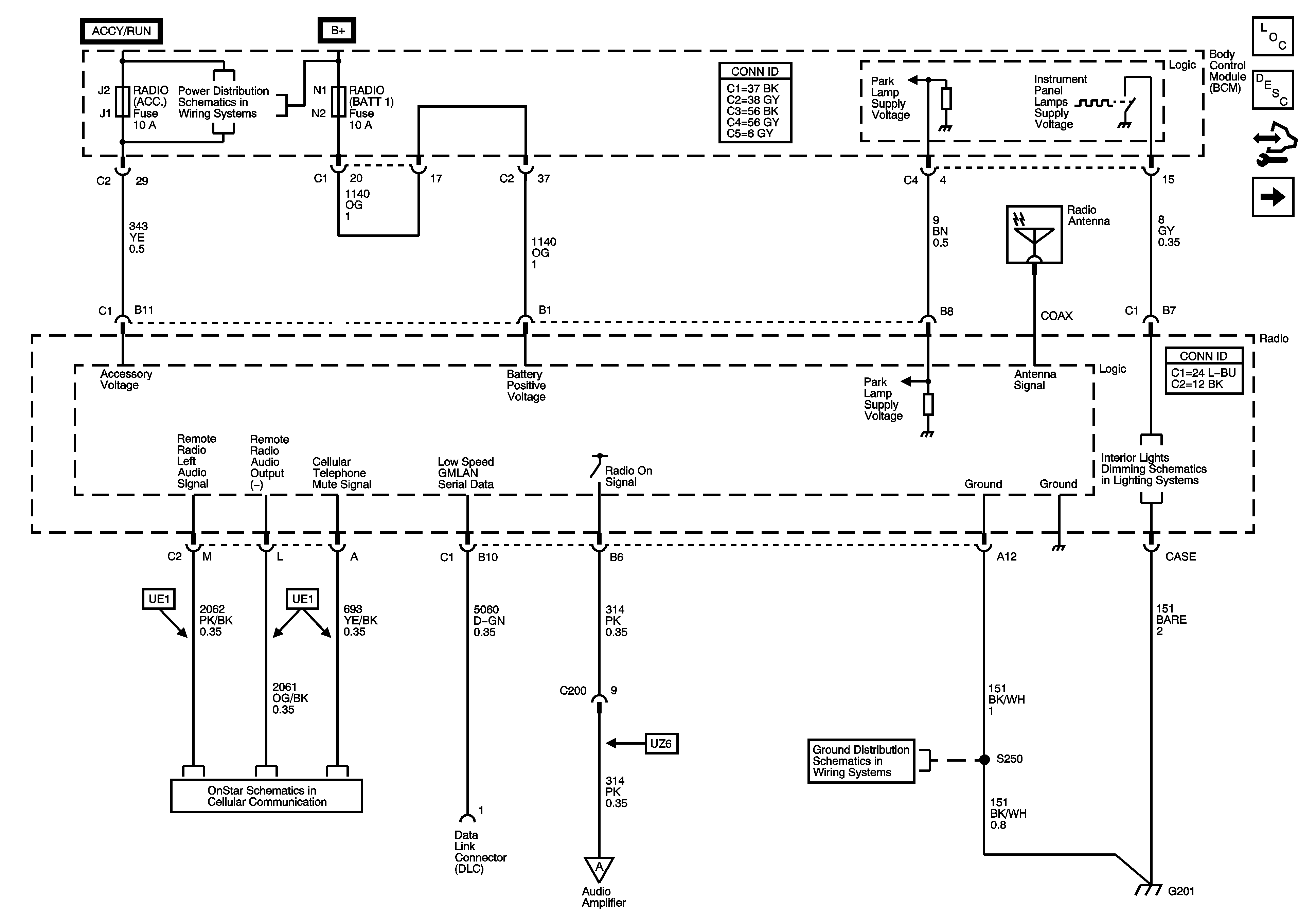
🢒 Ground, Power, Signals, and References to Cellular Communications and Lighting
Ground, Power, Signals, and References to Cellular Communications and Lighting
Ground, Power, Signals, and References to Cellular Communications and Lighting
Master Electrical Component List
Radio/Audio System Description and Operation
Control Module References
Radio to Speakers - U79 or UX7
BCM (PWR), DASH, IP BATT 1, IP BATT 1A, LIGHTER, ONSTAR, PARK, PWR OUTLET, PWR WINDOWS, RADIO (ACC.), RADIO (BATT), SUN ROOF, and WIPER SW Fuses
Controls and Lamps (1 of 2)
OnStar
Radio to Amplifier to Speakers - UZ6
G201