GM Service Manual Online
For 1990-2009 cars only

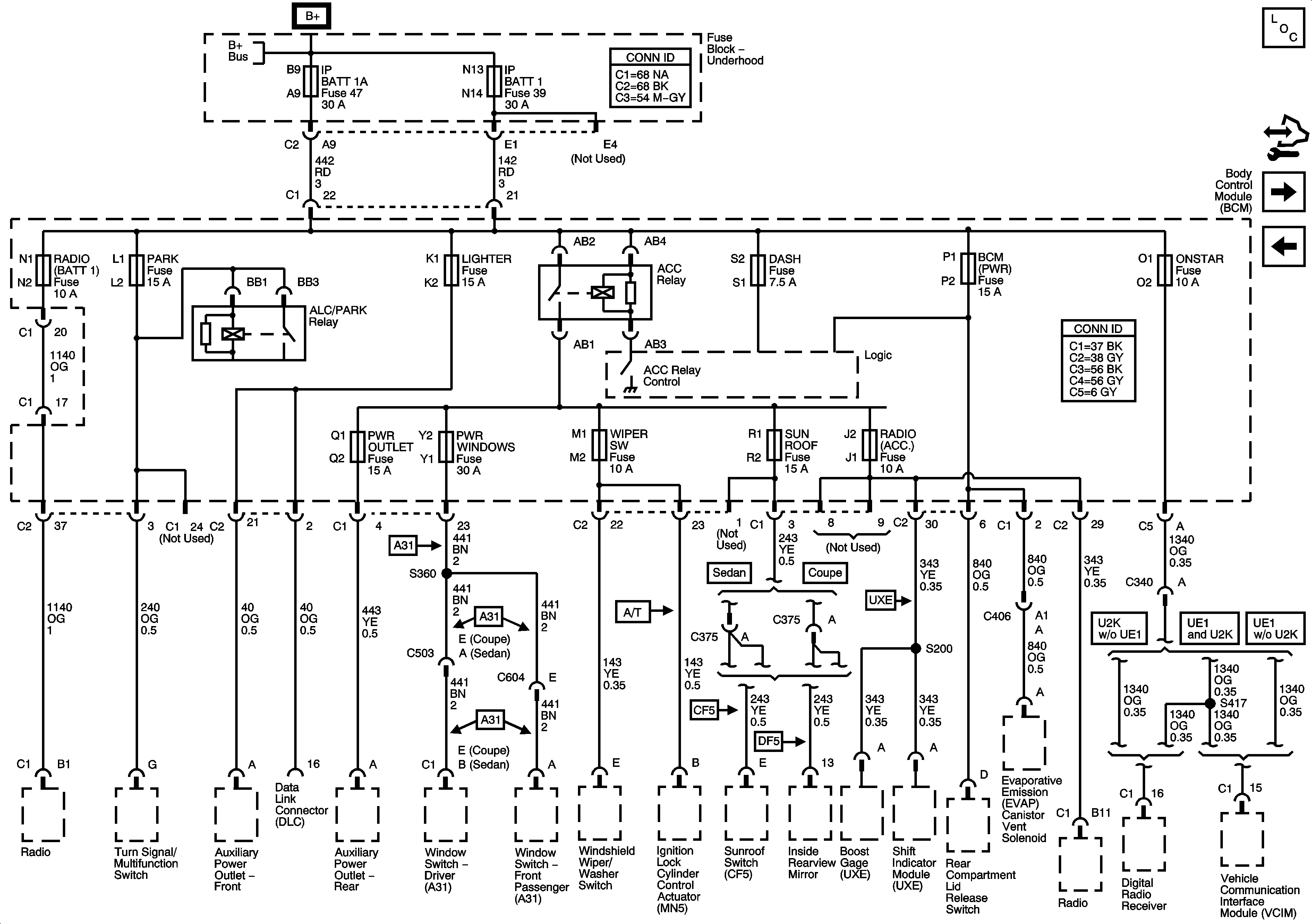
BCM (PWR), DASH, IP BATT 1, IP BATT 1A, LIGHTER, ONSTAR, PARK, PWR OUTLET, PWR WINDOWS, RADIO (ACC.), RADIO (BATT), SUN ROOF, and WIPER SW Fuses

BCM (PWR), DASH, IP BATT 1, IP BATT 1A, LIGHTER, ONSTAR, PARK, PWR OUTLET, PWR WINDOWS, RADIO (ACC.), RADIO (BATT 1), SUN ROOF, and WIPER SW Fuses


Object Number: 1424783  Size: FS
Master Electrical Component List
Control Module References
BCM ELECT, CLUSTER, EPS (60A), FUEL PUMP, HVAC, IGN SW, IP BATT 2, RUN (IGN 3), and STOP Fuses
ABS (40A), ABS (20A), COOLING FAN 2, ECM, LH HDLP, RADIO, RH HDLP, and TCM Fuses
Fuseblock - Underhood Bus