GM Service Manual Online
For 1990-2009 cars only
Makes
🢒
Saturn
🢒
2005
🢒
ION
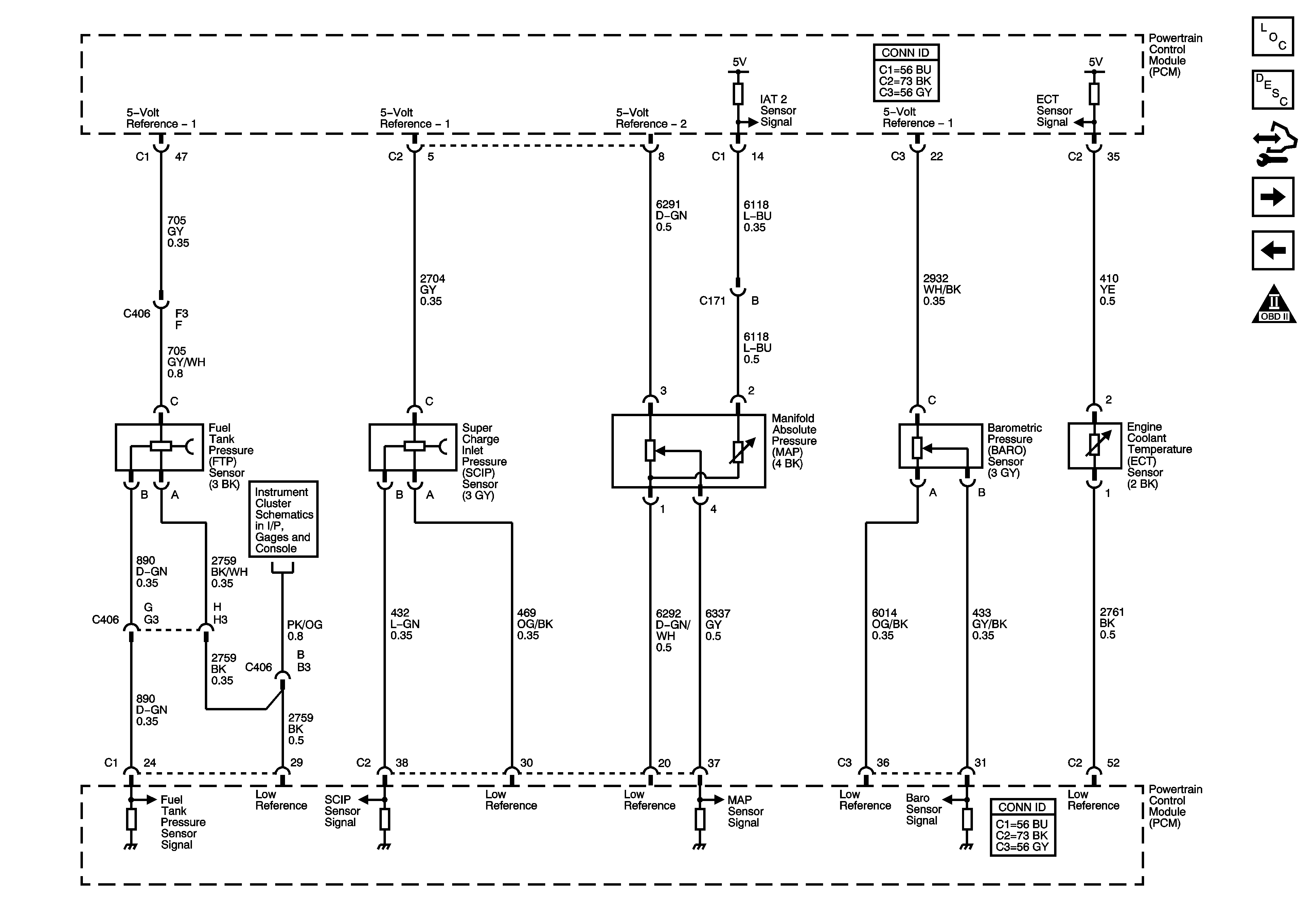
🢒 Engine Data Sensors - Pressure and Temperature
Engine Data Sensors - Pressure and Temperature
Engine Data Sensors - Pressure and Temperature
Master Electrical Component List
Powertrain Control Module Description
Control Module References
Engine Data Sensors - MAF/IAT, CKP, KS, and CMP
Engine Data Sensors - 5V and Reference Bussing
OBD II Symbol Description Notice
Fuel Level and Oil Pressure