GM Service Manual Online
For 1990-2009 cars only
Makes
🢒
Saturn
🢒
2005
🢒
ION
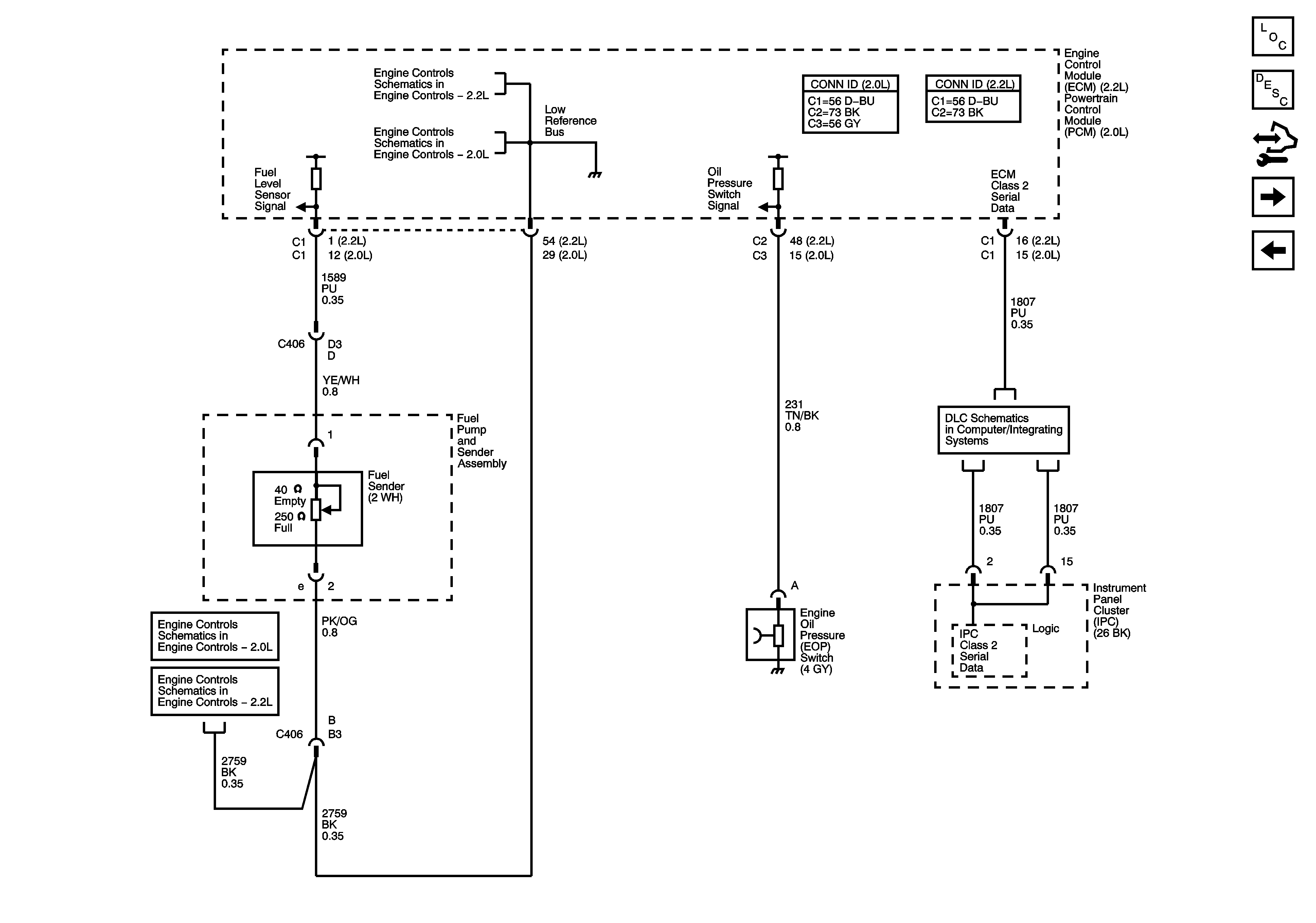
🢒 Fuel Level and Oil Pressure
Fuel Level and Oil Pressure
Fuel Level and Oil Pressure
Master Electrical Component List
Instrument Cluster Description and Operation
Control Module References
DLC, Gages, Ground, Indicators, and Power
Engine Data Sensors 5V and Reference Bussing
Engine Data Sensors - 5V and Reference Bussing
Engine Data Sensors - Pressure and Temperature
Engine Data Sensors - Pressure, Temperature, and MAF/IAT
DLC Power, Ground, Class 2, and Low Speed GM LAN