GM Service Manual Online
For 1990-2009 cars only
Makes
🢒
Saturn
🢒
2005
🢒
ION
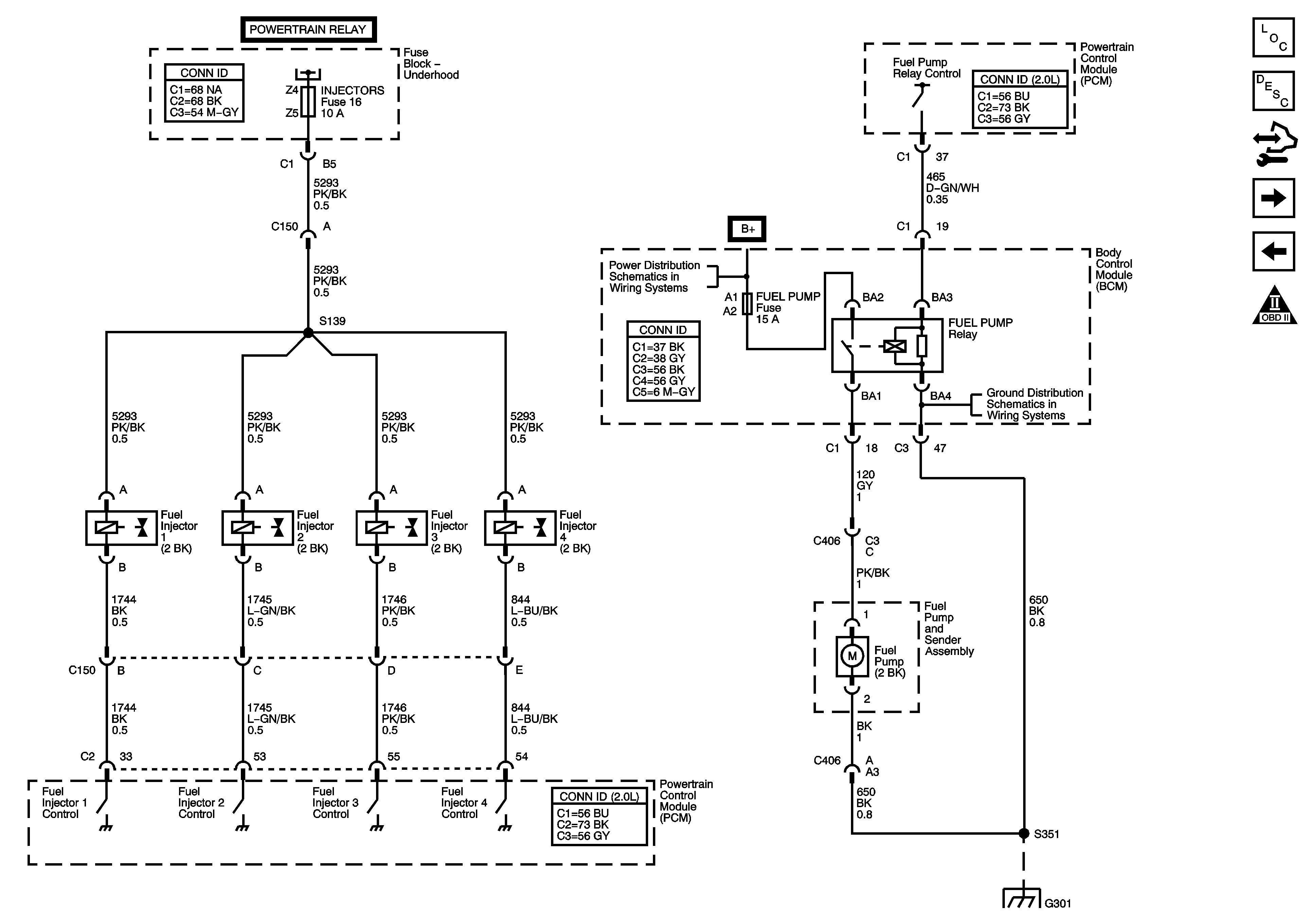
🢒 Fuel Controls
Fuel Controls
Fuel Controls
Master Electrical Component List
Powertrain Control Module Description
Control Module References
EVAP Controls, After Cooler Pump, and Supercharger By-Pass Valve Solenoid
Ignition Controls
OBD II Symbol Description Notice
ECM/ETC, EMISS, IGN, and INJECTORS Fuses - 2.0L
Fuseblock - Underhood Bus
G301
G301