GM Service Manual Online
For 1990-2009 cars only
Makes
🢒
Saturn
🢒
2005
🢒
ION
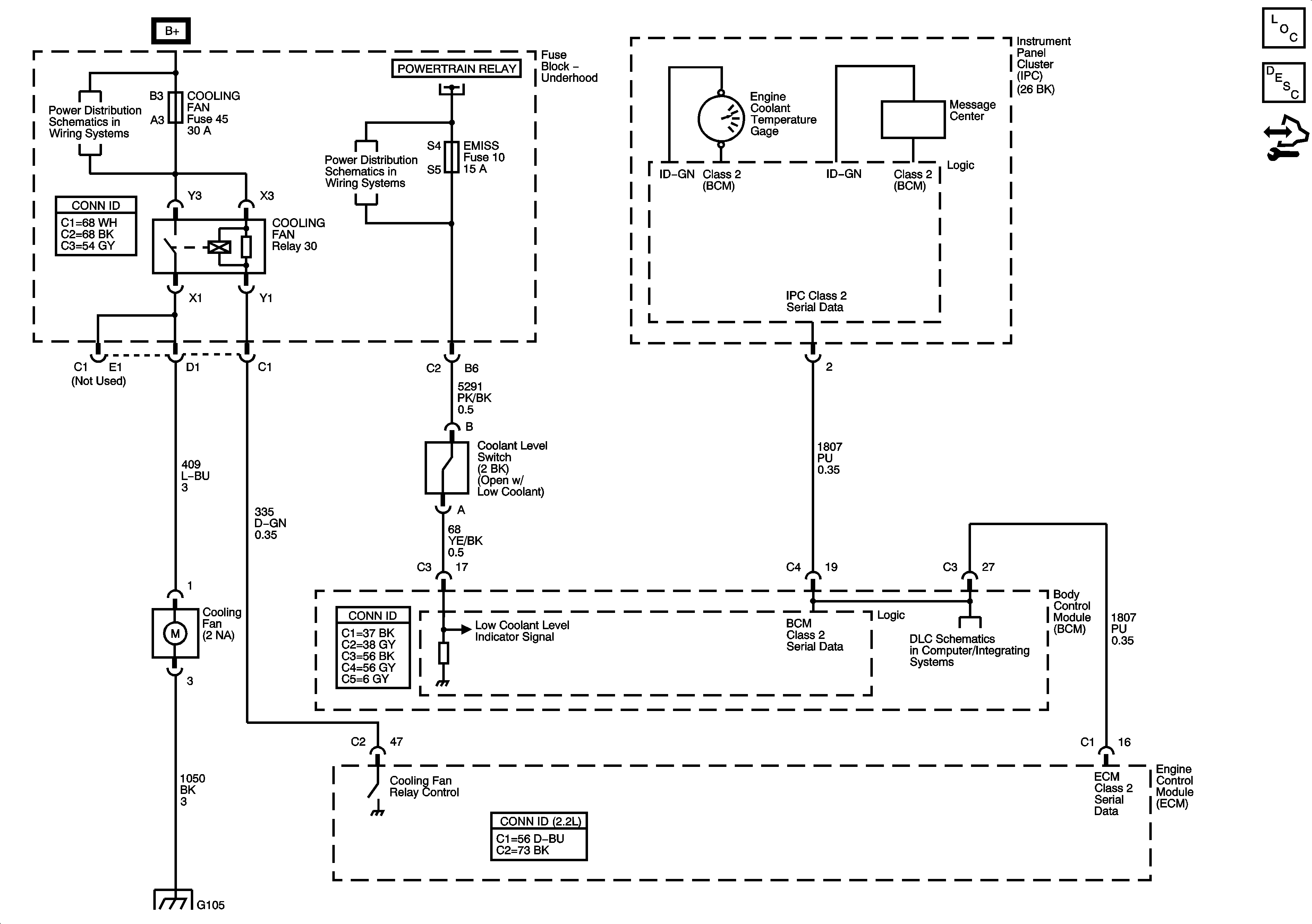
🢒 Engine Cooling Schematics - 2.2L
Engine Cooling Schematics - 2.2L
Master Electrical Component List
Cooling System Description and Operation
Control Module References
Fuseblock - Underhood Bus
ECM/ETC, EMISS, IGN, and INJECTORS Fuses - 2.2L
ECM/ETC, EMISS, IGN, and INJECTORS Fuses - 2.2L
DLC Power, Ground, Class 2, and Low Speed GM LAN
G103 (2.2L), G105 (2.2L), G109