GM Service Manual Online
For 1990-2009 cars only
Makes
🢒
Saturn
🢒
2005
🢒
ION
🢒 Headlamps - Sedan
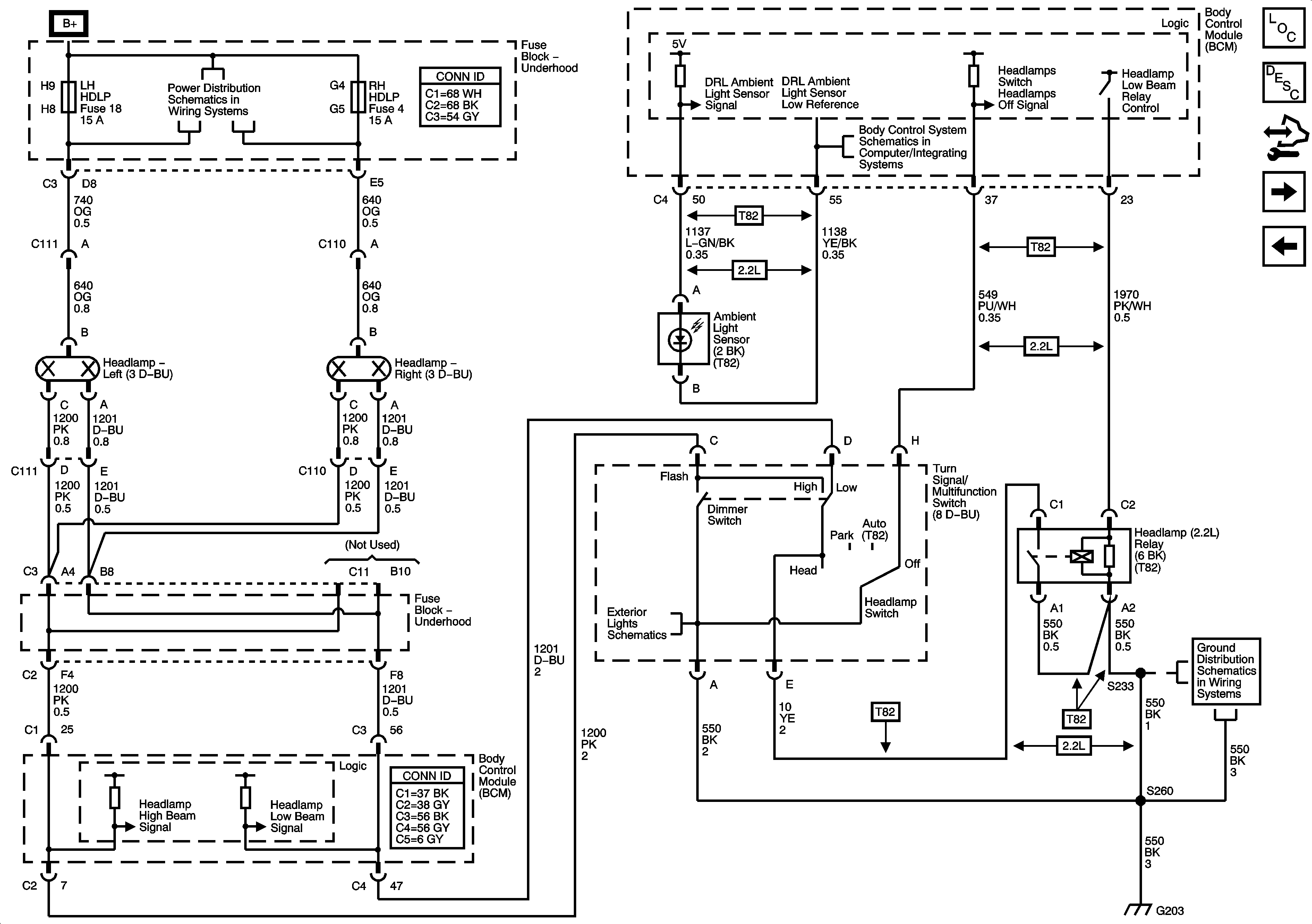
Headlamps - Sedan
Headlamps - Sedan
Master Electrical Component List
Exterior Lighting Systems Description and Operation
Control Module References
Daytime Running Lamps
Headlamps - Coupe
ABS (40A), ABS (20A), COOLING FAN 2, ECM, LH HDLP, RADIO, RH HDLP, and TCM Fuses
References to Lighting - 1 of 2
Turn/Hazard Lamps
G203