GM Service Manual Online
For 1990-2009 cars only
Makes
🢒
Saturn
🢒
2005
🢒
ION
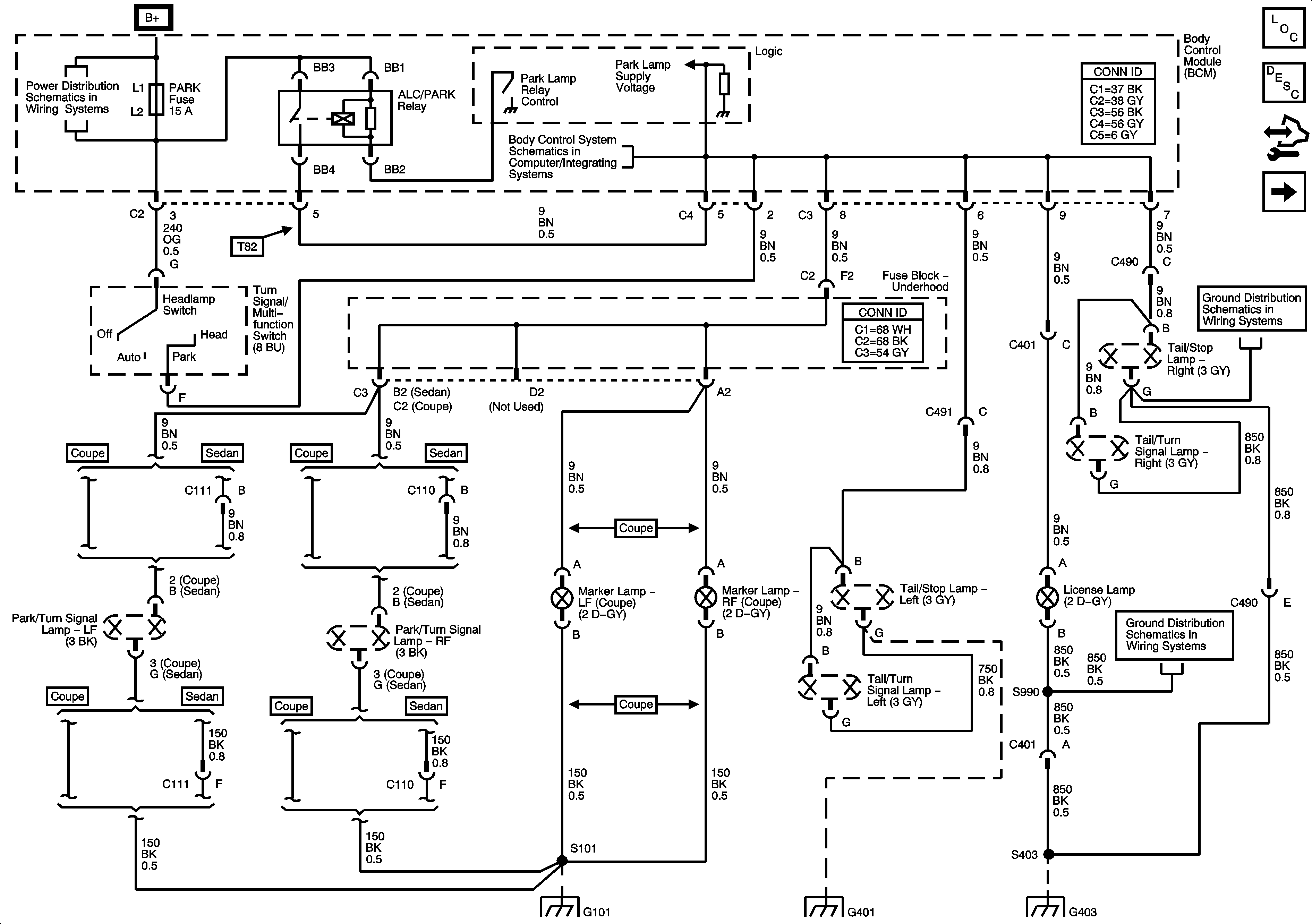
🢒 Parking Lamps
Parking Lamps
Parking Lamps
Master Electrical Component List
Exterior Lighting Systems Description and Operation
Control Module References
Turn/Hazard Lamps
BCM (PWR), DASH, IP BATT 1, IP BATT 1A, LIGHTER, ONSTAR, PARK, PWR OUTLET, PWR WINDOWS, RADIO (ACC.), RADIO (BATT), SUN ROOF, and WIPER SW Fuses
References to Lighting - 1 of 2
G403 and G502
G403 and G502
G101
G401
G403 and G502