GM Service Manual Online
For 1990-2009 cars only
Makes
🢒
Saturn
🢒
2005
🢒
ION
🢒 Backup Lamps
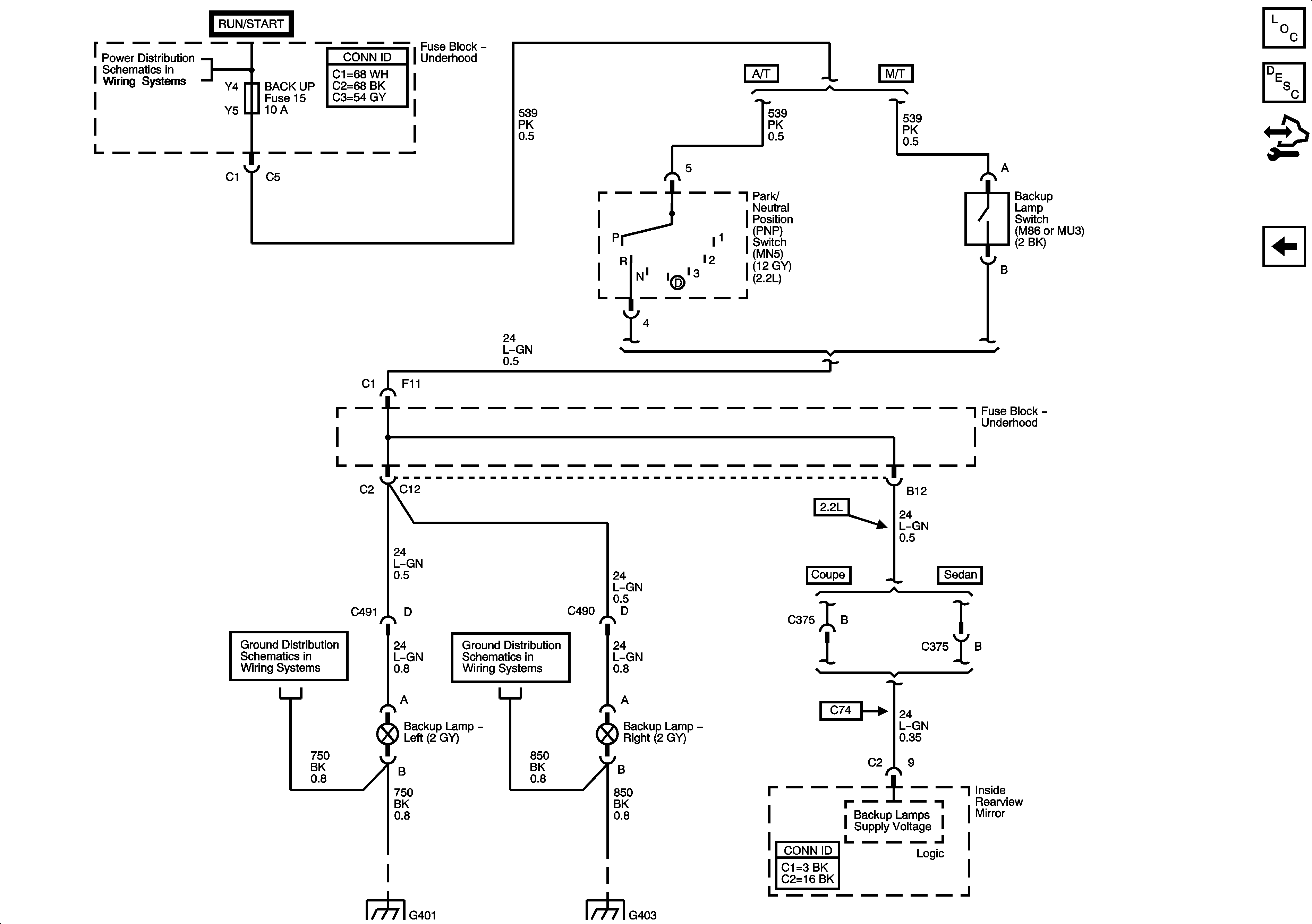
Backup Lamps
Backup Lamps
Master Electrical Component List
Exterior Lighting Systems Description and Operation
Control Module References
Stop Lamps
ABS (10A), BACK UP, BOOST, ECM, TRANS 1, and TRANS 2 Fuses
G401
G403 and G502
G401
G403 and G502