GM Service Manual Online
For 1990-2009 cars only
Makes
🢒
Saturn
🢒
2005
🢒
ION
🢒 Interior Lights
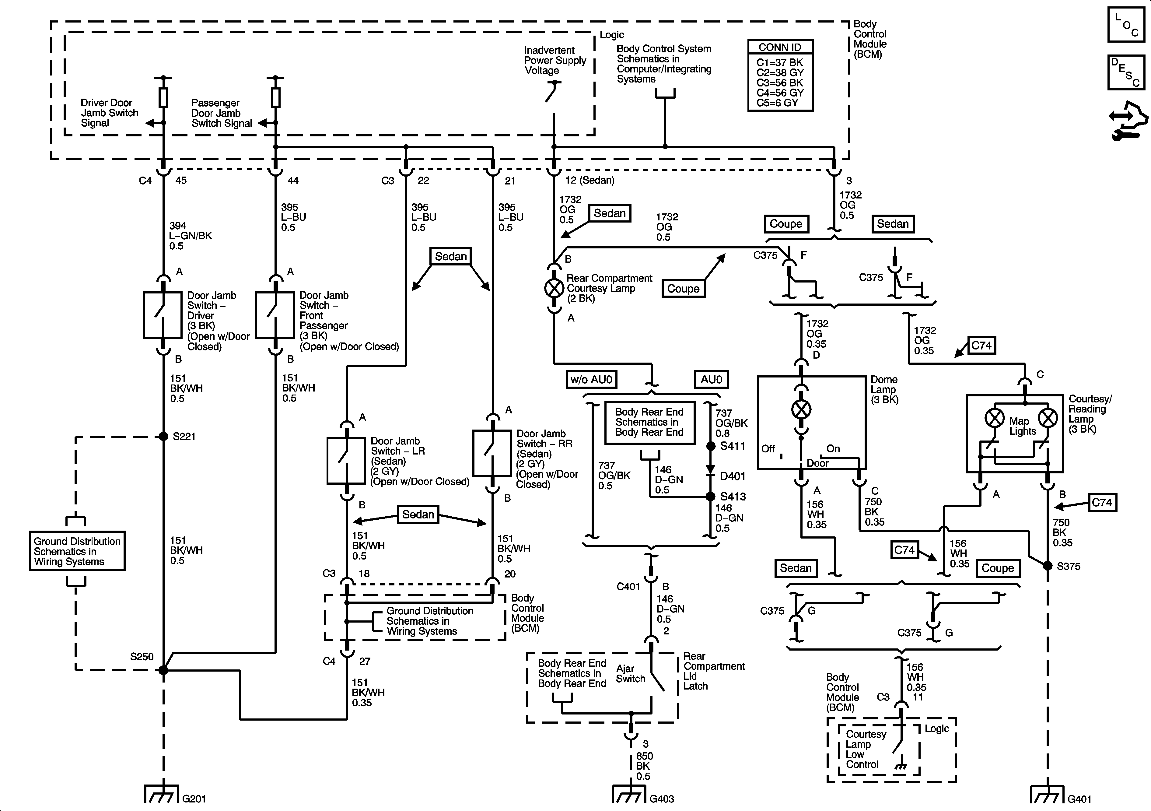
Interior Lights
Master Electrical Component List
Interior Lighting Systems Description and Operation
Control Module References
References to Body Rear End, Doors, Horns, and Lighting - 2 of 2
Body Rear End
G201
G201
Body Rear End
G201
G403 and G502
G401