GM Service Manual Online
For 1990-2009 cars only
Makes
🢒
Saturn
🢒
2005
🢒
ION
🢒 Body Rear End
Body Rear End
Master Electrical Component List
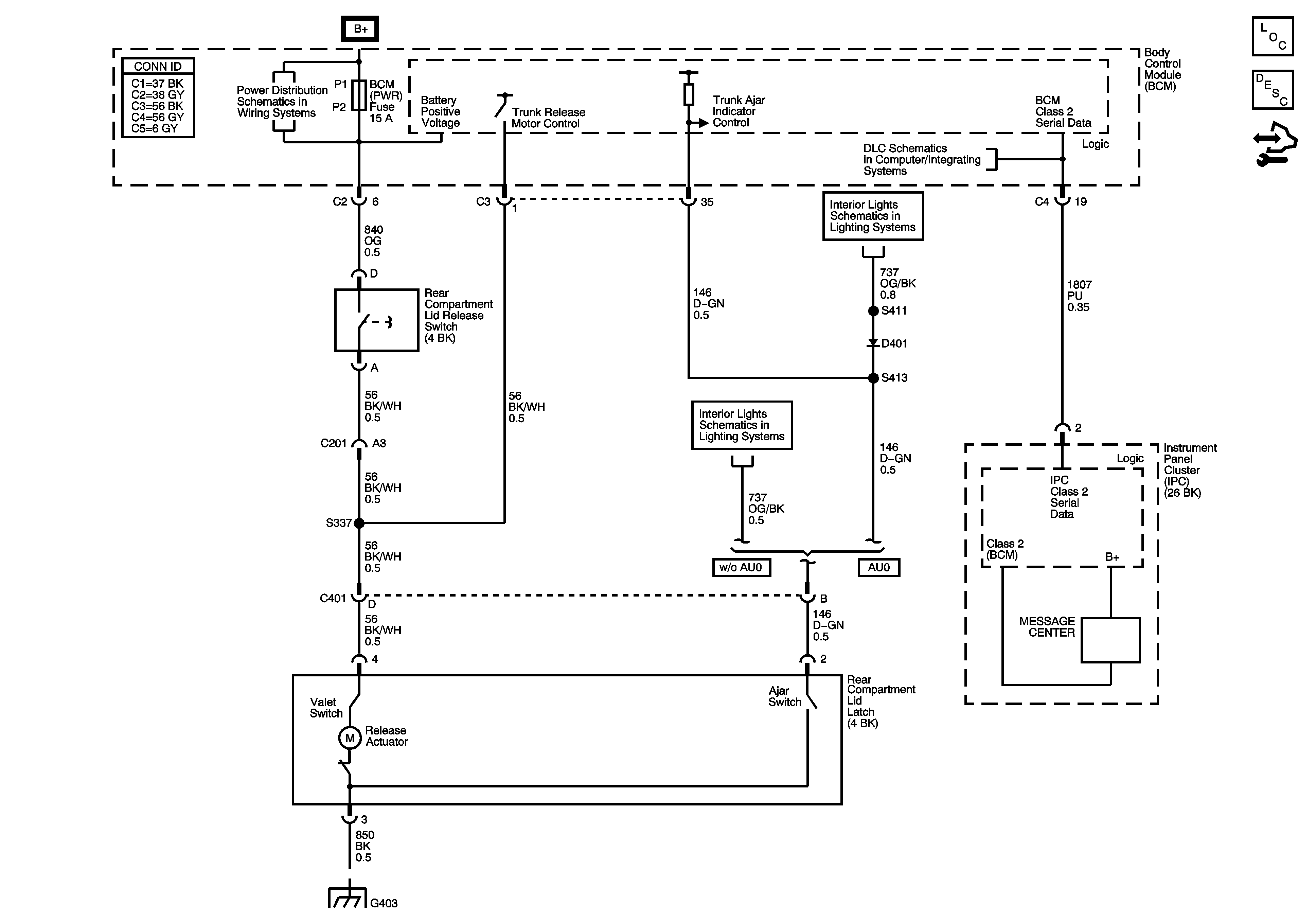
Luggage Compartment Description and Operation
Control Module References
BCM (PWR), DASH, IP BATT 1, IP BATT 1A, LIGHTER, ONSTAR, PARK, PWR OUTLET, PWR WINDOWS, RADIO (ACC.), RADIO (BATT), SUN ROOF, and WIPER SW Fuses
DLC Power, Ground, Class 2, and Low Speed GM LAN
Interior Lights
Interior Lights
G403 and G502