GM Service Manual Online
For 1990-2009 cars only
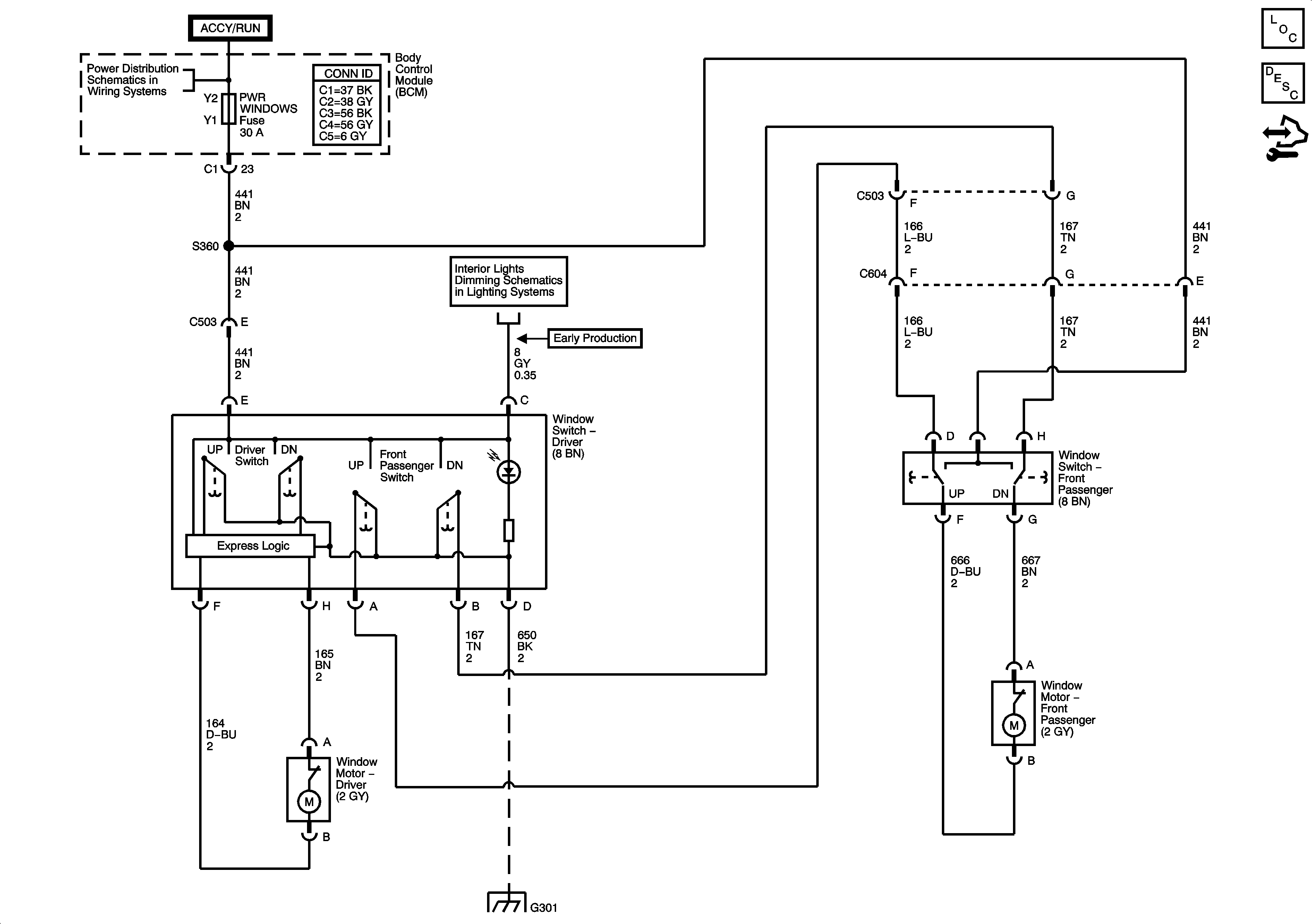
Figure 1:

Coupe


Object Number: 1592818  Size: FS
Master Electrical Component List
Power Windows Description and Operation
Control Module References
BCM (PWR), DASH, IP BATT 1, IP BATT 1A, LIGHTER, ONSTAR, PARK, PWR OUTLET, PWR WINDOWS, RADIO (ACC.), RADIO (BATT), SUN ROOF, and WIPER SW Fuses
G301
Shift Indicator Module, Boost Gage, A/T Shift Indicator and HVAC Control Assembly
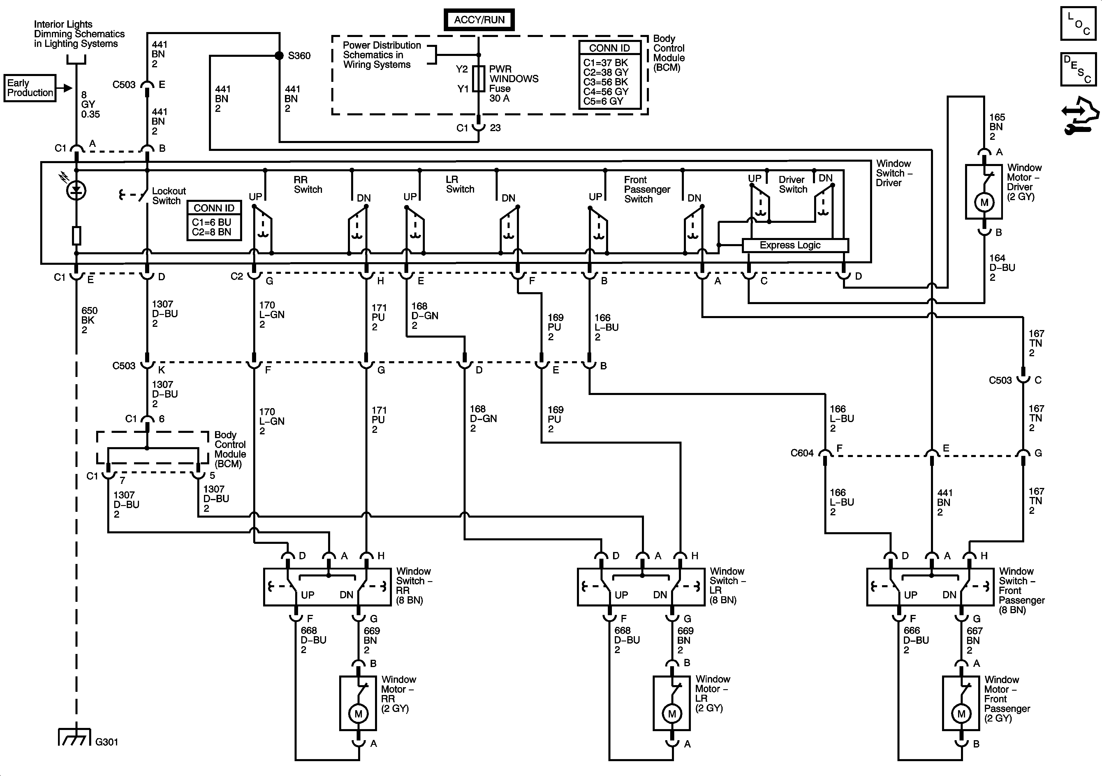
Figure 2:

Sedan


Object Number: 1592819  Size: FS
Master Electrical Component List
Power Windows Description and Operation
Control Module References
BCM (PWR), DASH, IP BATT 1, IP BATT 1A, LIGHTER, ONSTAR, PARK, PWR OUTLET, PWR WINDOWS, RADIO (ACC.), RADIO (BATT), SUN ROOF, and WIPER SW Fuses
G301
Shift Indicator Module, Boost Gage, A/T Shift Indicator and HVAC Control Assembly