GM Service Manual Online
For 1990-2009 cars only
Makes
🢒
Saturn
🢒
2006
🢒
ION
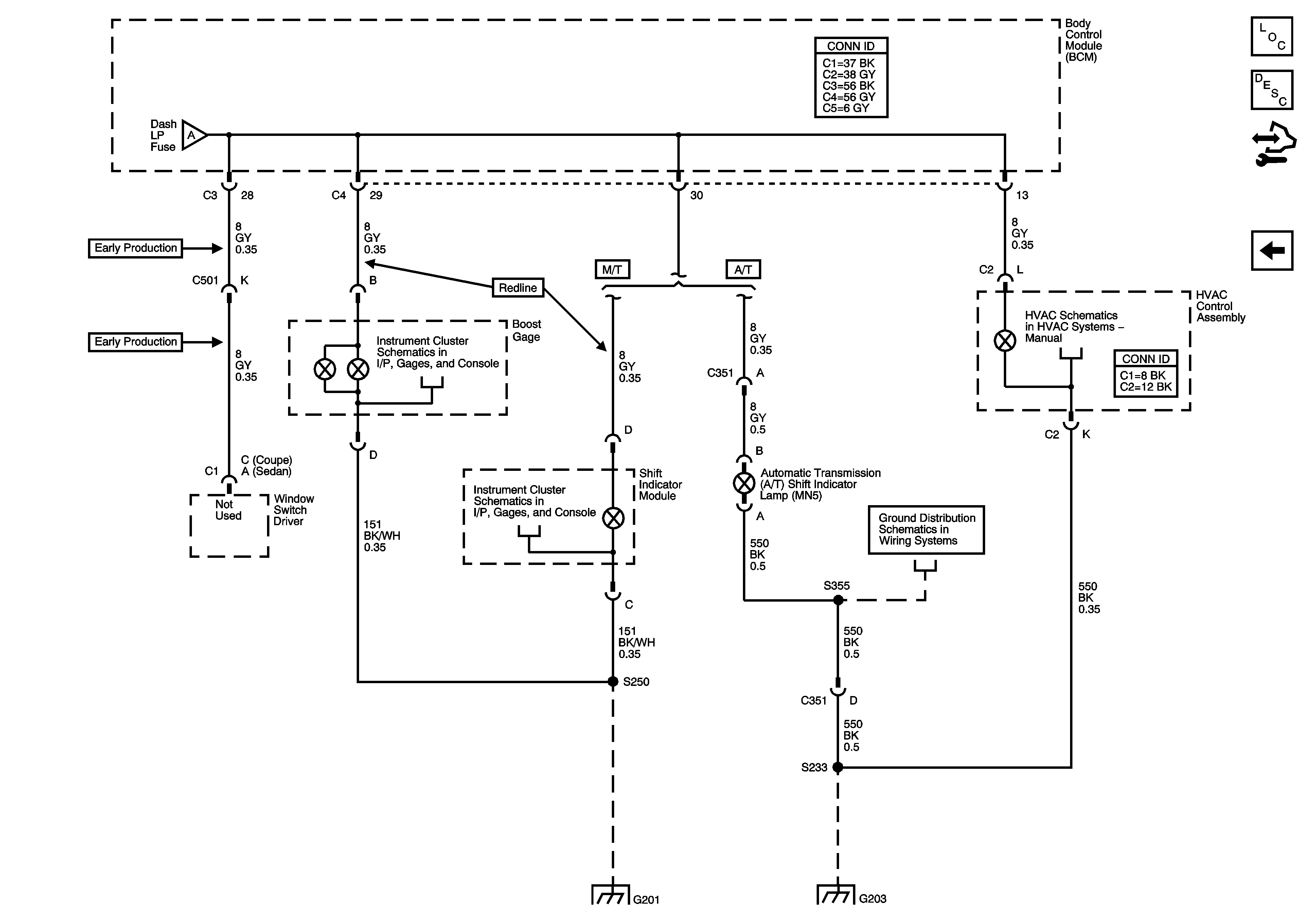
🢒 Shift Indicator Module, Boost Gage, A/T Shift Indicator and HVAC Control Assembly
Shift Indicator Module, Boost Gage, A/T Shift Indicator and HVAC Control Assembly
Shift Indicator Module, Boost Gage, A/T Shift Indicator and HVAC Control Assembly
Master Electrical Component List
Interior Lighting Systems Description and Operation
Control Module References
Turn Signal/Multifunction Switch, Instrument Panel Cluster, I/P Dimmer Switch, Hazard Switch, Fog Lamp Switch, Traction Control Switch and Radio
Turn Signal/Multifunction Switch, Instrument Panel Cluster, I/P Dimmer Switch, Hazard Switch, Fog Lamp Switch, Traction Control Switch and Radio
Boost Gage / Shift Indicator Module (UXE)
Boost Gage / Shift Indicator Module (UXE)
G203
Air Recirculation Controls (C60)
G201
G203