GM Service Manual Online
For 1990-2009 cars only
Makes
🢒
Saturn
🢒
2006
🢒
ION
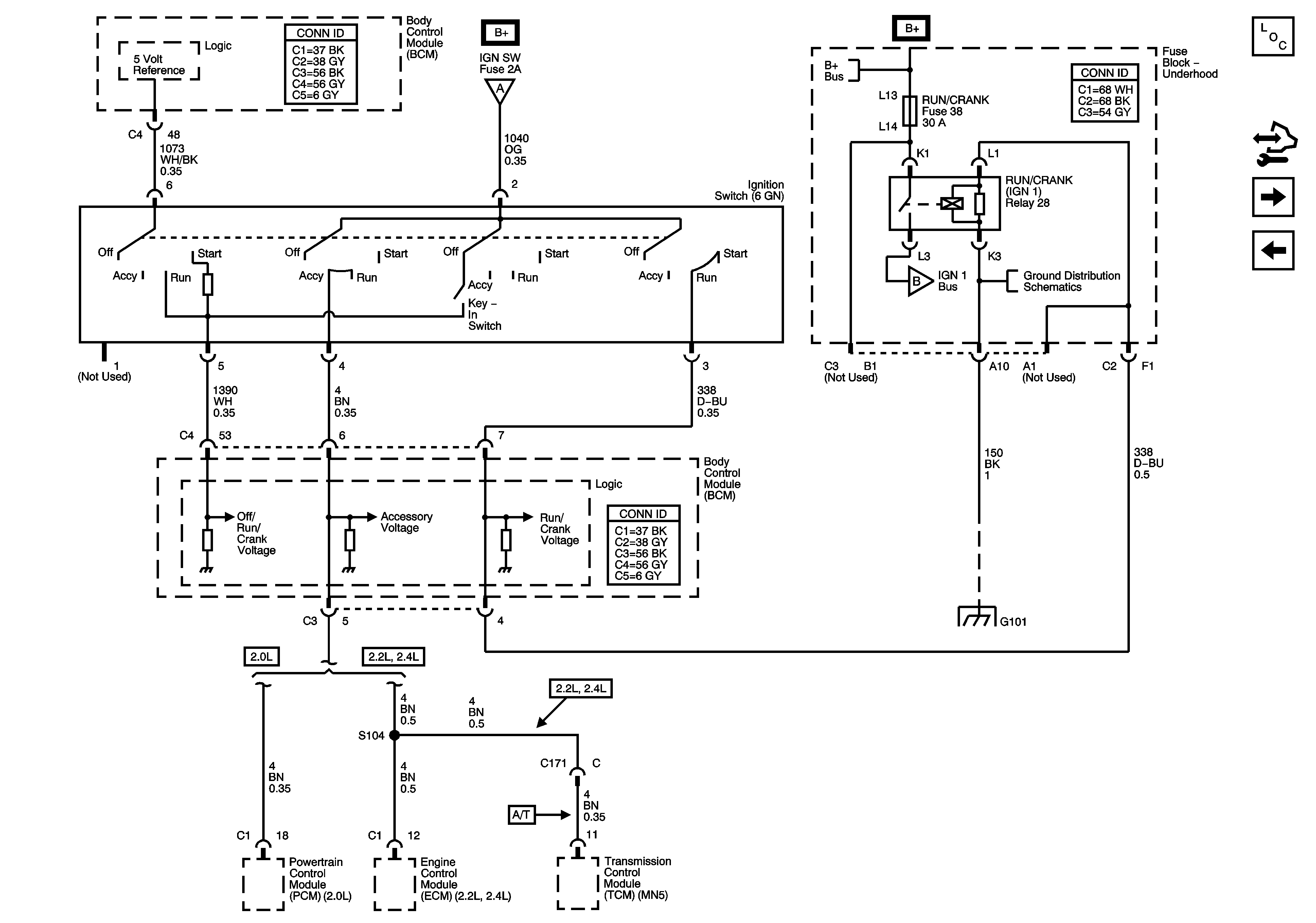
🢒 Ignition Switch, RUN/CRANK Fuse, RUN/CRANK (IGN1) Relay
Ignition Switch, RUN/CRANK Fuse, RUN/CRANK (IGN1) Relay
Ignition Switch, RUN/CRANK Fuse, RUN/Crank (IGN1) Relay
Master Electrical Component List
Control Module References
ABS (10A), BACK UP, BOOST, ECM, TRANS 1, and TRANS 2 Fuses
BCM ELECT, CLUSTER/AOS, EPS (60A), FUEL PUMP, HVAC, IGN SW, IP BATT 2, RUN (IGN 3), and STOP Fuses, RUN and FUEL PUMP Relays
BCM ELECT, CLUSTER/AOS, EPS (60A), FUEL PUMP, HVAC, IGN SW, IP BATT 2, RUN (IGN 3), and STOP Fuses, RUN and FUEL PUMP Relays
B+ Bus
ABS (10A), BACK UP, BOOST, ECM, TRANS 1, and TRANS 2 Fuses
G101